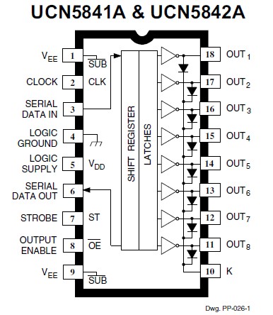
Product Summary
The A5841SLW is an allegro microsystem, BiMOS II 8-bit serial-input, latched driver. The merging of low-power CMOS logic and bipolar output power drivers permit the A5841SLW integrated circuits to be used in a wide variety of peripheral power driver applications. Each device has an eight-bit CMOS shift register and CMOS control circuitry, eight CMOS data latches, and eight bipolar current-sinking Darlington output drivers. The 500 mA npn Darlington outputs, with integral transient-suppression diodes, are suitable for use with relays, solenoids, and other inductive loads. Except for packaging and the maximum driver output voltage ratings, the A5841SLW is identical. The package variations of the 5842 offer premium performance with a minimum output-breakdown voltage rating of 80 V (50 V sustaining). The driver can be operated with a split supply where the negative supply is up to -20 V. The A5841SLW has higher data-input rates than the earlier BiMOS circuits. With a 5 V logic supply, they will typically operate at better than 5 MHz. With a 12 V supply, significantly higher speeds are obtained. The CMOS inputs are compatible with standard CMOS and NMOS logic levels. TTL circuits may require the use of appropriate pull-up resistors. By using the serial data output, drivers can be cascaded for interface applications requiring additional drive lines.
Parametrics
A5841SLW absolute maximum ratings: (1)Output Voltage, VCE(sus)(5841): 35 V+, (5842): 50 V+; (2)Logic Supply Voltage Range, VDD: 4.5 V to 15 V VDD with Reference to VEE: 25 V; (3)Emitter Supply Voltage, VEE: -20 V; (4)Input Voltage Range, VIN: -0.3 V to VDD + 0.3 V; (5)Continuous Output Current, IOUT: 500 mA; (6)Package Power Dissipation, PD: See Graph; (7)Operating Temperature Range, TA: -20°C to +85°C; (8)Storage Temperature Range, TS: -55°C to +150°C.
Features
A5841SLW features: (1)To 3.3 MHz Data-Input Rate; (2)CMOS, NMOS, TTL Compatible Inputs; (3)Internal Pull-Up/Pull-Down Resistors; (4)Low-Power CMOS Logic and Latches,; (5)High-Voltage Current-Sink Outputs; (6)Output Transient-Protection Diodes; (7)Single or Split Supply Operation; (8)DIP or SOIC Packaging; (9)Automotive Capable.
Diagrams

(Hong Kong)








