Product Summary
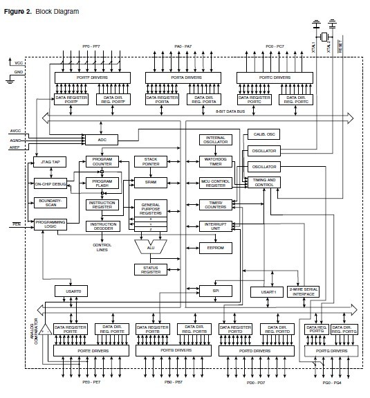
The ATMEGA128-16AI is an 8-bit Microcontroller. It provides the following features: 128K bytes of In-System Programmable Flash with Read-While-Write capabilities, 4K bytes EEPROM, 4K bytes SRAM, 53 general-purpose I/O lines, 32 general purpose working registers, Real Time Counter (RTC), four flexible timer/counters with compare modes and PWM, 2 USARTs, a byte oriented 2-wire Serial Interface, an 8-channel, 10-bit ADC with optional differential input stage with programmable gain, programmable Watchdog Timer with internal oscillator, an SPI serial port, IEEE std. 1149.1 compliant JTAG test interface, also used for accessing the On-chip Debug system and programming and six software selectable power saving modes.
Parametrics
ATMEGA128-16AI absolute maximum ratings: (1)Operating Temperature: -55℃ to +125℃ ; (2)Storage Temperature: -65℃ to +150℃; (3)Voltage on any Pin except RESET with respect to Ground: -0.5V to VCC+0.5V; (4)Voltage on RESET with respect to Ground: -0.5V to +13.0V; (5)Maximum Operating Voltage: 6.0V; (6)DC Current per I/O Pin: 40.0 mA; (7)DC Current VCC and GND Pins: 200.0 to 400.0mA.
Features
ATMEGA128-16AI features: (1)High-performance, Low-power AVR 8-bit Microcontroller; (2)133 Powerful Instructions - Most Single Clock Cycle Execution; (3)32 x 8 General Purpose Working Registers + Peripheral Control Registers; (4)Fully Static Operation; (5)Up to 16 MIPS Throughput at 16 MHz; (6)On-chip 2-cycle Multiplie; (7)128K Bytes of In-System Reprogrammable Flash Endurance: 1,000 Write/Erase Cycles; (8)Optional Boot Code Section with Independent Lock Bits In-System Programming by On-chip Boot Program True Read-While-Write Operation; (9)4K Bytes EEPROM, Endurance: 100,000 Write/Erase Cycles; (10)4K Bytes Internal SRAM; (11)Up to 64K Bytes Optional External Memory Space; (12)Programming Lock for Software Security; (13)SPI Interface for In-System Programming.
Diagrams

| Image | Part No | Mfg | Description | ![]() |
Pricing (USD) |
Quantity | ||||
|---|---|---|---|---|---|---|---|---|---|---|
![]() |
![]() ATMEGA128-16AI |
![]() Atmel |
![]() 8-bit Microcontrollers (MCU) AVR 128K FLSH 4K EE SPI/UART/TWI ADC |
![]() Data Sheet |
![]() Negotiable |
|
||||
| Image | Part No | Mfg | Description | ![]() |
Pricing (USD) |
Quantity | ||||
![]() |
![]() ATMEG163POD |
![]() |
![]() IC AVR MCU ICE30 40PIN MEGAAVR |
![]() Data Sheet |
![]() Negotiable |
|
||||
![]() |
![]() ATmega103 |
![]() Other |
![]() |
![]() Data Sheet |
![]() Negotiable |
|
||||
![]() |
![]() ATMEGA103-6AC |
![]() Atmel |
![]() 8-bit Microcontrollers (MCU) TQFP-64 128K FLASH 5 |
![]() Data Sheet |
![]() Negotiable |
|
||||
![]() |
![]() ATMEGA103-6AI |
![]() |
![]() IC MCU 128K 6MHZ A/D IT 64TQFP |
![]() Data Sheet |
![]() Negotiable |
|
||||
![]() |
![]() ATMEGA103-6AU |
![]() Other |
![]() |
![]() Data Sheet |
![]() Negotiable |
|
||||
![]() |
![]() ATmega103L |
![]() Other |
![]() |
![]() Data Sheet |
![]() Negotiable |
|
||||
(Hong Kong)











