Product Summary
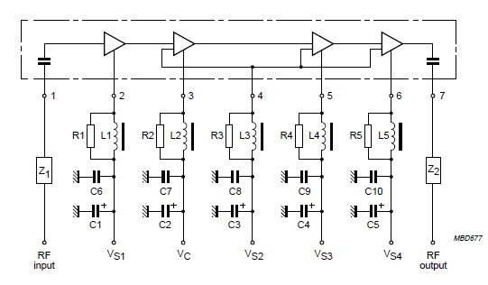
The BGY113A is a four-stage UHF amplifier module in a 7-lead SOT288D package. The module consists of four NPN silicon planar transistor dies mounted together with matching and bias circuit components on a metallized ceramic substrate. The module produces an output power of 7 W into a load of 50 W with an RF drive power of 1 mW. The applications of the BGY113A include Hand-held communication equipment operating in the frequency bands 400 to 440 MHz and 430 to 470MHz respectively.
Parametrics
BGY113A absolute maximum ratings: (1)VS1, DC supply voltage: 9 V; (2)VS2, DC supply voltage: 9 V; (3)VS3, DC supply voltage: 9 V; (4)VS4, DC supply voltage: 9 V; (5)VC, DC control voltage: 7.5 V; (6)PD, input drive power: 5 mW; (7)PL, load power: 9 W; (8)Tstg, storage temperature: -40 to +100℃; (9)Tmb, operating mounting base temperature: -30 to +90℃.
Features
BGY113A features: (1)7.5 V nominal supply voltage; (2)7 W output power; (3)Easy control of output power by DC voltage.
Diagrams

![]() |
![]() BGY1085A |
![]() NXP Semiconductors |
![]() RF Amplifier CATV P/P AMP 18.5dB |
![]() Data Sheet |
![]() Negotiable |
|
||||||||||
![]() |
![]() BGY1085A,112 |
![]() NXP Semiconductors |
![]() RF Amplifier CATV P/P AMP 18.5dB |
![]() Data Sheet |
![]()
|
|
||||||||||
![]() |
![]() BGY120A |
![]() Other |
![]() |
![]() Data Sheet |
![]() Negotiable |
|
||||||||||
![]() |
![]() BGY120B |
![]() Other |
![]() |
![]() Data Sheet |
![]() Negotiable |
|
||||||||||
![]() |
![]() BGY122A |
![]() Other |
![]() |
![]() Data Sheet |
![]() Negotiable |
|
||||||||||
![]() |
![]() BGY122B |
![]() Other |
![]() |
![]() Data Sheet |
![]() Negotiable |
|
||||||||||
(Hong Kong)









