Product Summary
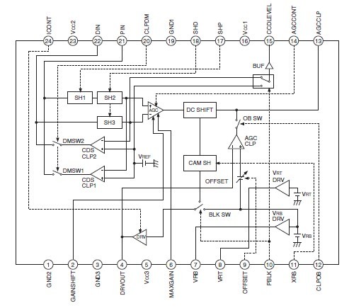
The CXA3796N is a Digital CCD Camera Head Amplifier. This IC provides the following functions: correlated double sampling, AGC for the CCD signal, A/D sample and hold, blanking, A/D reference voltage, and an output driver. The applications of the CXA3796N include CCD cameras.
Parametrics
CXA3796N absolute maximum ratings: (1)Supply voltage, VCC: 5.5 V; (2)Operating temperature, Topr: -20 to +75℃; (3)Storage temperature, Tstg: -65 to +150℃; (4)Allowable power dissipation, PD: 417 mW.
Features
CXA3796N features: (1)High sensitivity made possible by a high-gain AGC amplifier; (2)Blanking function provided for the purpose of calibrating the CCD output signal black level; (3)Regulator output pin provided for A/D converter reference voltage; (4)Built-in sample-and-hold circuits for camera signals required by external A/D converters.
Diagrams

![]() |
![]() CXA3001N |
![]() Other |
![]() |
![]() Data Sheet |
![]() Negotiable |
|
||||
![]() |
![]() CXA3002N |
![]() Other |
![]() |
![]() Data Sheet |
![]() Negotiable |
|
||||
![]() |
![]() CXA3003R |
![]() Other |
![]() |
![]() Data Sheet |
![]() Negotiable |
|
||||
![]() |
![]() CXA3010Q |
![]() Other |
![]() |
![]() Data Sheet |
![]() Negotiable |
|
||||
![]() |
![]() CXA3017R |
![]() Other |
![]() |
![]() Data Sheet |
![]() Negotiable |
|
||||
![]() |
![]() CXA3018R |
![]() Other |
![]() |
![]() Data Sheet |
![]() Negotiable |
|
||||
(Hong Kong)








