Product Summary
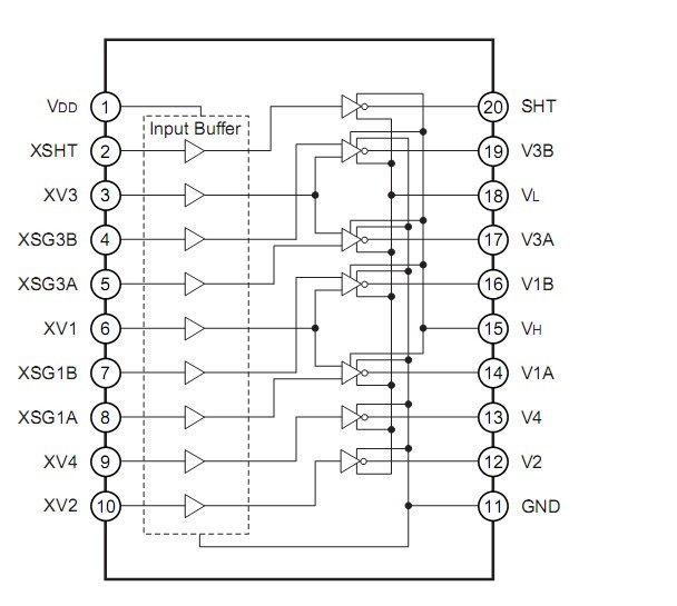
The CXD3400N is a vertical clock driver for CCD image sensor. This IC is composed of 6 channels which supports high frame rate readout mode.
Parametrics
CXD3400N absolute maximum ratings: (1)Supply voltage VDD: GND -0.3 to +7.0 V; (2)Supply voltage VL: GND to -10 V; (3)Supply voltage VH: VL +26 V; (4)Input voltage VIN: GND -0.3V to VDD +0.3 V; (5)Operating temperature Topr: -20 to +75 ℃; (6)Storage temperature Tstg: -55 to +150 ℃; (7)Supply voltage VDD: 7 to 5.5 V; (8)Supply voltage VL: -5.0 to -9.0 V; (9)Supply voltage VH: 11.5 to 15.5 V; (10)Operating temperature Topr: -20 to +75 ℃.
Features
CXD3400N features: (1)Composition Vertical transfer output 3 levels driver 4, 2 levels driver 2, Electronic shutter output 2 levels driver 1; (2)Suitable drive capability for high-pixel CCD (40% improved compared to current device); (3)Small package (20-pin SSOP); (4)2.7 to 5.5V supported input interface.
Diagrams

| Image | Part No | Mfg | Description | ![]() |
Pricing (USD) |
Quantity | ||||
|---|---|---|---|---|---|---|---|---|---|---|
![]() |
![]() CXD3400N |
![]() Other |
![]() |
![]() Data Sheet |
![]() Negotiable |
|
||||
| Image | Part No | Mfg | Description | ![]() |
Pricing (USD) |
Quantity | ||||
![]() |
![]() CXD3000R |
![]() Other |
![]() |
![]() Data Sheet |
![]() Negotiable |
|
||||
![]() |
![]() CXD3003R |
![]() Other |
![]() |
![]() Data Sheet |
![]() Negotiable |
|
||||
![]() |
![]() CXD3005R |
![]() Other |
![]() |
![]() Data Sheet |
![]() Negotiable |
|
||||
![]() |
![]() CXD3008Q |
![]() Other |
![]() |
![]() Data Sheet |
![]() Negotiable |
|
||||
![]() |
![]() CXD3009Q |
![]() Other |
![]() |
![]() Data Sheet |
![]() Negotiable |
|
||||
![]() |
![]() CXD3011R-1 |
![]() Other |
![]() |
![]() Data Sheet |
![]() Negotiable |
|
||||
(Hong Kong)









