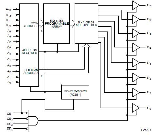
Product Summary
The CY7C251-45WMB is a high-performance 16,384-word by 8-bit CMOS PROM. When deselected, the CY7C251-45WMB automatically powers down into a low-power stand-by mode. It is packaged in a 300-mil-wide package. The CY7C251-45WMB is available in reprogrammable packages equipped with an erasure window; when exposed to UV light, these PROMs are erased and can then be reprogrammed. The memory cells utilize proven EPROM floating gate technology and byte-wide intelligent programming algorithms.
Parametrics
CY7C251-45WMB absolute maximum ratings: (1)Storage Temperature: -65℃ to +150℃; (2)Ambient Temperature with Power Applied: -55℃ to +125℃; (3)Supply Voltage to Ground Potential(Pin 28 to Pin 14): -0.5V to +7.0V; (4)DC Voltage Applied to Outputs in High Z State: -0.5V to +7.0V; (5)DC Input Voltage: -3.0V to +7.0V; (6)DC Program Voltage (Pin 22): 13.5V.
Features
CY7C251-45WMB features: (1)CMOS for optimum speed/power; (2)Windowed for reprogrammability; (3)High speed:45 ns; (4)Low power: 550 mW (commercial), 660 mW (military); (5)Super low standby power (7C251): Less than 165 mW when deselected, Fast access: 50 ns; (6)EPROM technology 100% programmable; (7)Slim 300-mil or standard 600-mil packaging available; (8)5V ±10% VCC, commercial and military; (9)TTL-compatible I/O; (10)Direct replacement for bipolar PROMs; (11)Capable of withstanding >2001V static discharge.
Diagrams

|  |  CY7C006 |  Other |  |  Data Sheet |  Negotiable |  | ||||||||||||
|  |  CY7C006A |  Other |  |  Data Sheet |  Negotiable |  | ||||||||||||
|  |  CY7C006A-15AXC |  Cypress Semiconductor |  SRAM 5V 16Kx8 COM Dual Port SRAM |  Data Sheet |  Negotiable |  | ||||||||||||
|  |  CY7C006A-15AXCT |  Cypress Semiconductor |  SRAM 5V 16Kx8 COM Dual Port SRAM |  Data Sheet |  Negotiable |  | ||||||||||||
|  |  CY7C006A-20AC |  |  IC SRAM 16KX8 DUAL 64LQFP |  Data Sheet |  Negotiable |  | ||||||||||||
|  |  CY7C006A-20AXC |  Cypress Semiconductor |  SRAM 5V 16Kx8 COM Dual Port SRAM |  Data Sheet |  
 |  | ||||||||||||
 (Hong Kong)
 (Hong Kong) 
                         
                        
 
                                    




