Product Summary
The CY7C66113C-PVXC is a Full-Speed USB Peripheral Controller.
Parametrics
CY7C66113C-PVXC absolute maximum ratings: (1)Storage Temperature: -65℃ to +150℃; (2)Ambient Temperature with Power Applied: 0℃ to +70℃; (3)Supply Voltage on VCC relative to VSS: -0.5V to +7.0V; (4)DC Input Voltage: -0.5V to +VCC + 0.5V; (5)DC Voltage Applied to Outputs in High-Z State: -0.5V to +VCC + 0.5V; (6)Power Dissipation: 500 mW; (7)Static Discharge Voltage: > 2000V; (8)Latch-up Current: > 200 mA; (9)Max Output Sink Current into Port 0, 1, 2, 3, and DAC[1:0] Pins: 60 mA; (10)Max Output Sink Current into DAC[7:2] Pins: 10 mA; (11)Max Output Source Current from Port 1, 2, 3, 4: 30 mA.
Features
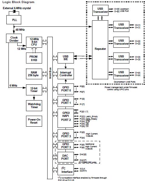
CY7C66113C-PVXC features: (1)Full-speed USB peripheral microcontroller with an integrated USB hub; (2)8-bit USB optimized microcontroller; (3)Internal memory; (4)Integrated Master/Slave I2C-compatible controller (100 kHz) enabled through General-purpose I/O (GPIO) pins; (5)Hardware-assisted Parallel Interface (HAPI) for data transfer to external devices; (6)I/O ports; (7)12-bit free-running timer with one microsecond clock ticks; (8)Watchdog Timer (WDT); (9)Internal Power-on Reset (POR); (10)USB Specification compliance; (11)Improved output drivers to reduce electromagnetic interference (EMI); (12)Operating voltage from 4.0V-5.5V DC; (13)Operating temperature from 0℃ to 70℃; (14)CY7C66113C available in 56-pin QFN or 56-pin SSOP (-PVC) packages; (15)Industry-standard programmer support.
Diagrams

| Image | Part No | Mfg | Description | ![]() |
Pricing (USD) |
Quantity | ||||
|---|---|---|---|---|---|---|---|---|---|---|
![]() CY7C66113C-PVXC |
![]() Cypress Semiconductor |
![]() 8-bit Microcontrollers (MCU) USB Hubs |
![]() Data Sheet |
![]() Negotiable |
|
|||||
![]() CY7C66113C-PVXCT |
![]() Cypress Semiconductor |
![]() 8-bit Microcontrollers (MCU) USB Hubs |
![]() Data Sheet |
![]() Negotiable |
|
|||||
(Hong Kong)








