Product Summary
The SN755867 is a Mod Ucom Plasma ASIC. The applications of the SN755867 are PDP and TV.
Features
SN755867 features: (1)Operating Temperature: 70℃; (2)Dissipation Power: 20W; (3)Type: Drive IC ; (4)Supply Voltage: 5V to 100V ; (5)Model Number: SN75867; (6)PACKAGE: QFP100 ; (7)PW: 20W.
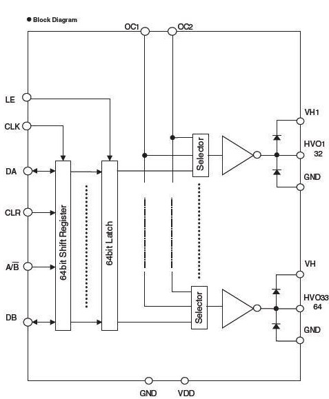
Diagrams

(Hong Kong)






