Product Summary
The SPLLL85 is a hybrid pulsed laser diode. Applications are (1)Range finding; (2)Security, surveillance; (3)Illumination, ignition; (4)Testing and measurement.
Parametrics
SPLLL85 absolute maximum ratings: (1)Peak output power Popt: 18 W; (2)Ladespannung (VG = 15 V)Charge voltage (VG = 15 V)VC: 9 V; (3)Gate voltage VG: -20 to + 20 V; (4)Operating temperature Top: - 40 to + 85 °C; (5)Storage temperature Tstg: - 40 to + 100 °C; (6)Soldering temperature (tmax = 10 s)Ts: + 260 °C.
Features
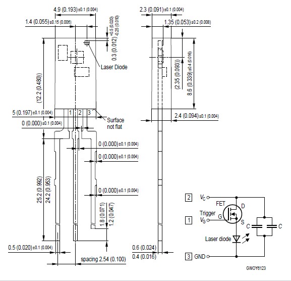
SPLLL85 features: (1)Low cost, small size plastic package; (2)Integrated FET and capacitors for pulse control; (3)Strained InAlGaAs/GaAs QW-structures; (4)High power large-optical-cavity laser structure; (5)Laser aperture 200 μm x 2 μm; (6)High-speed operation (< 30 ns pulse width); (7)Low supply voltage (< 9 V).
Diagrams

(Hong Kong)






