Product Summary
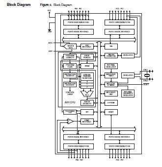
The atmega32l-au is a low-power CMOS 8-bit microcontroller based on the AVR enhanced RISC architecture. By executing powerful instructions in a single clock cycle, the atmega32l-au achieves throughputs approaching 1 MIPS per MHz allowing the system designer to optimize power consumption versus processing speed.
Parametrics
atmega32l-au absolute maximum ratings: (1)Operating Voltages: 2.7V - 5.5V; (2)Speed Grades: 0 - 8MHz; (3)Power Consumption at 1 MHz, 3V, 25.C: Active 1.1mA, Idle Mode: 0.35mA, Power-down Mode: < 1μA.
Features
atmega32l-au features: (1)High-performance, Low-power Atmel AVR 8-bit Microcontroller; (2)Advanced RISC Architecture; (3)High Endurance Non-volatile Memory segments; (4)JTAG (IEEE std. 1149.1 Compliant) Interface; (5)Two 8-bit Timer/Counters with Separate Prescalers and Compare Modes; (6)One 16-bit Timer/Counter with Separate Prescaler, Compare Mode, and Capture Mode; (7)Real Time Counter with Separate Oscillator; (8)Four PWM Channels; (9)8-channel, 10-bit ADC; (10)Byte-oriented Two-wire Serial Interface; (11)Programmable Serial USART; (12)Master/Slave SPI Serial Interface; (13)Programmable Watchdog Timer with Separate On-chip Oscillator; (14)On-chip Analog Comparator; (15)Power-on Reset and Programmable Brown-out Detection; (16)Internal Calibrated RC Oscillator; (17)External and Internal Interrupt Sources; (18)Six Sleep Modes: Idle, ADC Noise Reduction, Power-save, Power-down, Standby and Extended Standby.
Diagrams

(Hong Kong)






