Product Summary
The c3225jb2a105k is a RF Power LDMOS Transistor. The c3225jb2a105k device is designed for use in high VSWR industrial (including laser and plasma exciters), broadcast (analog and digital), aerospace and radio/land mobile applications. The c3225jb2a105k is unmatched input and output designs allowing wide frequency range utilization, between 1.8 and 600 MHz.
Parametrics
c3225jb2a105k absolute maximum ratings: (1)Drain--Source Voltage VDSS: -0.5, +133 Vdc; (2)Gate--Source Voltage VGS: -6.0, +10 Vdc; (3)Storage Temperature Range Tstg: -- 65 to +150°C; (4)Case Operating Temperature TC: 150°C; (5)Total Device Dissipation @ TC = 25°C: 1333 W; (6)Operating Junction Temperature tj: 225°C.
Features
c3225jb2a105k features: (1)Unmatched Input and Output Allowing Wide Frequency Range Utilization; (2)Device can be used Single--Ended or in a Push--Pull Configuration; (3)Qualified Up to a Maximum of 50 VDD Operation; (4)Characterized from 30 V to 50 V for Extended Power Range; (5)Suitable for Linear Application with Appropriate Biasing; (6)Characterized with Series Equivalent Large--Signal Impedance Parameters; (7)In Tape and Reel. R6 Suffix = 150 Units, 56 mm Tape Width, 13--inch Reel.
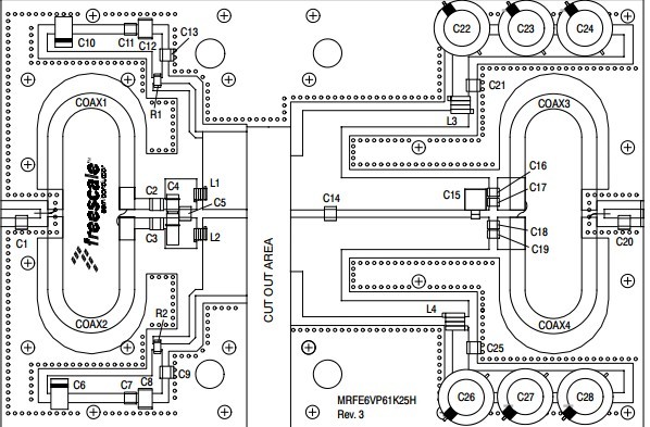
Diagrams

(Hong Kong)






