Product Summary
The ese18l62d is a Detector Switch/ESE11. It is ideal for: Detection of media in portable electronic equipment.
Parametrics
ese18l62d absolute maximum ratings: (1)Contact Resistance: 500 mΩ max. (Initial); (2)Insulation Resistance: 100 MΩ min. (100 Vdc); (3)Dielectric Withstanding Voltage: 100 Vac for 1 minute; (4)Operating Force: 350 mN max. (Full Travel); (5)Operating Life: 50000 cycles min.; (6)Temperature Range: –10 °C to +70 °C; (7)Heat Resistance: +80 °C for 96 hours; (8)Low Temperature Resistance: –25°C for 96 hours.
Features
ese18l62d features: (1)Wide range of customizable fea tures including operational directions; (2)Light operating force; (3)Wide available range for refl ow soldering.
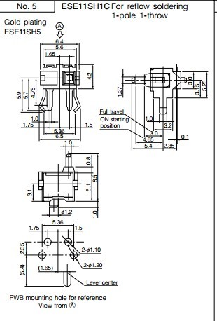
Diagrams

(Hong Kong)






