Product Summary
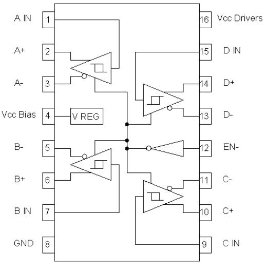
The et7272b-lf is a quad differential line driver. The et7272b-lf is pin compatible with 26LS31 in applications where pin 4 = 5V and pin 12 = GND. Internal clamp of the et7272b-lf diodes allow trouble-free operation when driving cable lengths exceeding 100m. Split supplies of the et7272b-lf are provided to minimize standby power dissipation in high voltage applications. The logic should be powered from a regulated 5V supply at the VccBias pin. The output stages may then be powered by a separate supply at VccDrivers, up to 30V. Output voltage swings of 0.3V to VCC-1.9V are typical. The outputs of the et7272b-lf are protected against shorts to ground, shorts to Vcc and to other outputs, by a two-fold scheme of current limiting and thermal shutdown. This assures highly reliable operation in harsh environments. Heat-sinking may be accomplished at pin 8 which is directly connected to the ASIC substrate. The applications of the et7272b-lf include Optical Encoders, Industrial Controls.
Parametrics
et7272b-lf absolute maximum ratings: (1)Operating Temperature Range, TA: -55 to 115 ℃; (2)Supply Voltage Range(both), VCC: 4.5 to 30 V.
Features
et7272b-lf features: (1)Supply Voltage Range 3.5V to 30V; (2)Operation to 800KHz; (3)CMOS and TTL Compatible Inputs; (4)Separate logic bias and driver supply pins; (5)Optional single supply operation for moderate power applications; (6)High Impedance Buffered Inputs with Hysteresis may be driven directly by phototransistors; (7)Tri-State outputs; (8)80mA peak SINK/SOURCE current; (9)Outputs Protected by Thermal Shut-Down.
Diagrams

(Hong Kong)






