Product Summary
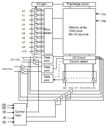
The km6161000blt-5l is a 64K x16 bit Low Power CMOS Static RAM. The km6161000blt-5l is fabricated by SAMSUNG’s advanced CMOS process technology. The families of the km6161000blt-5l support various operating temperature ranges and have various package types for user flexibility of system design. The families of the km6161000blt-5l also support low data retention voltage for battery back-up operation with low data retention current.
Parametrics
km6161000blt-5l absolute maximum ratings: (1)Voltage on any pin relative to Vss, VIN,VOUT: -0.5 to Vcc+0.5 V; (2)Voltage on Vcc supply relative to Vss, VCC: -0.5 to 7.0 V; (3)Power Dissipation, PD: 1.0 W; (4)Storage temperature, TSTG: -65 to 150℃; (5)Operating Temperature, TA: 0 to 70 ℃; (6)Soldering temperature and time, TSOLDER: 260 ℃, 10sec.
Features
km6161000blt-5l features: (1)Process Technology: Poly Load; (2)Organization: 64K × 16; (3)Data Byte Control: LB=I/O, UB=I/O; (4)Power Supply Voltage: 4.5 to 5.5V; (5)Low Data Retention Voltage: 2V(Min); (6)Three state output and TTL Compatible; (7)Package Type: 44-TSOP2-400F/R.
Diagrams

(Hong Kong)






