Product Summary
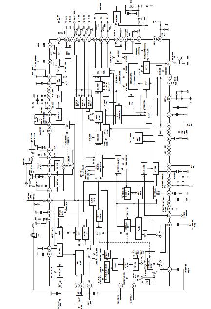
The m61250b is a single-chip semiconductor integrated circuit that contains the signal processing for NTSC color television. The application of the m61250b includes NTSC color television receivers.
Parametrics
m61250b absolute maximum ratings: (1)Power supply voltage, VCC: 6.0 to 10.0 V; (2)Internal power dissipation, Pd: 2026 mW; (3)Thermal derating, Kt: 16.2 mW/℃; (4)Ambient operating temperature, Topr: -20 to +65 ℃; (5)Storage temperature, Tstg: -40 to +150 ℃.
Features
m61250b features: (1)No VCO coil for VIF required; (2)Internal unregulated vocal demodulator; (3)PLL-SPLIT SIF system for FM radio; (4)Fsc output; (5)ACL or ABCL can be selected; (6)Internal horizontal oscillation probe; (7)Internal perpendicular sawtooth wave generator; (8)Internal self-diagnosis function; (9)Internal black peak hold, AFC2, killer filter; (10)H & V pulse output for OSD; (11)Internal reset circuit and clock output for microcomputer use; (12)Internal 5 V and 8 V regulators.
Diagrams

| Image | Part No | Mfg | Description | ![]() |
Pricing (USD) |
Quantity | ||||||||||||
|---|---|---|---|---|---|---|---|---|---|---|---|---|---|---|---|---|---|---|
![]() |
![]() M61250BFP |
![]() Other |
![]() |
![]() Data Sheet |
![]() Negotiable |
|
||||||||||||
| Image | Part No | Mfg | Description | ![]() |
Pricing (USD) |
Quantity | ||||||||||||
![]() |
![]() M612 |
![]() Flambeau |
![]() Enclosures, Boxes, & Cases 11x6-3/4x1-3/4 (2.04cf)12Cmprtmnts |
![]() Data Sheet |
![]()
|
|
||||||||||||
![]() |
![]() M61201SP |
![]() Other |
![]() |
![]() Data Sheet |
![]() Negotiable |
|
||||||||||||
![]() |
![]() M6120-4007-SS |
![]() RAF Electronic Hardware |
![]() Racks & Rack Cabinet Accessories Rnd Metric Hndl 32mm 6.3 DIA S/S |
![]() Data Sheet |
![]()
|
|
||||||||||||
![]() |
![]() M6120-4007-A-24 |
![]() RAF Electronic Hardware |
![]() Racks & Rack Cabinet Accessories Rnd Metric Hndl 32mm Alum Blk Anod |
![]() Data Sheet |
![]()
|
|
||||||||||||
![]() |
![]() M61203CFP |
![]() Other |
![]() |
![]() Data Sheet |
![]() Negotiable |
|
||||||||||||
![]() |
![]() M61206FP |
![]() Other |
![]() |
![]() Data Sheet |
![]() Negotiable |
|
||||||||||||
(Hong Kong)










