Product Summary
The PIC18F25K20-I/SP is a flash microcontroller with nanowatt XLP technology.
Parametrics
PIC18F25K20-I/SP absolute maximum ratings: (1)Ambient temperature under bias: -40°C to +125°C; (2)Storage temperature: -65°C to +150°C; (3)Voltage on any pin with respect to VSS (except VDD, and MCLR): -0.3V to (VDD + 0.3V); (4)Voltage on VDD with respect to VSS: -0.3V to +4.5V; (5)Voltage on MCLR with respect to VSS (Note 2): 0V to +11.0V; (6)Total power dissipation (Note 1): 1.0W; (7)Maximum current out of VSS pin (-40°C to +85°C): 300 mA; (8)Maximum current out of VSS pin (+85°C to +125°C): 125 mA; (9)Maximum current into VDD pin (-40°C to +85°C): 200 mA; (10)Maximum current into VDD pin (+85°C to +125°C): 85 mA; (11)Input clamp current, IIK (VI < 0 or VI > VDD): ±20 mA; (12)Output clamp current, IOK (VO < 0 or VO > VDD): ±20 mA; (13)Maximum output current sunk by any I/O pin: 25 mA; (14)Maximum output current sourced by any I/O pin: 25 mA; (15)Maximum current sunk by all ports (-40°C to +85°C): 200 mA; (16)Maximum current sunk by all ports (+85°C to +125°C): 110 mA; (17)Maximum current sourced by all ports (-40°C to +85°C): 185 mA; (18)Maximum current sourced by all ports (+85°C to +125°C): 70 mA.
Features
PIC18F25K20-I/SP features: (1)Operating voltage range: 1.8V to 3.6V; (2)Self-programmable under software control; (3)Programmable 16-level high/low-voltage detection (HLVD)module: Interrupt on high/low-voltage detection; (4)Programmable brown-out reset (BOR): With software enable option; (5)Extended watchdog timer (WDT): Programmable period from 4 ms to 131s; (6)Single-supply 3v in-circuit serial programming via two pins; (7)In-circuit debug (ICD)via two pins.
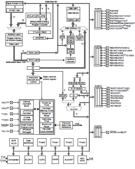
Diagrams

| Image | Part No | Mfg | Description | ![]() |
Pricing (USD) |
Quantity | ||||||||||||
|---|---|---|---|---|---|---|---|---|---|---|---|---|---|---|---|---|---|---|
![]() |
![]() PIC18F25K20-I/SP |
![]() Microchip Technology |
![]() 8-bit Microcontrollers (MCU) 32KB Flash 1536B RAM 25 I/O 8B |
![]() Data Sheet |
![]()
|
|
||||||||||||
| Image | Part No | Mfg | Description | ![]() |
Pricing (USD) |
Quantity | ||||||||||||
![]() |
![]() PIC1018SCL |
![]() Other |
![]() |
![]() Data Sheet |
![]() Negotiable |
|
||||||||||||
![]() |
![]() PIC10F200 |
![]() Other |
![]() |
![]() Data Sheet |
![]() Negotiable |
|
||||||||||||
![]() |
![]() PIC10F200-E/MC |
![]() Microchip Technology |
![]() 8-bit Microcontrollers (MCU) 384B Flash16B RAM 4 I/O |
![]() Data Sheet |
![]()
|
|
||||||||||||
![]() |
![]() PIC10F200-E/OT |
![]() Other |
![]() |
![]() Data Sheet |
![]() Negotiable |
|
||||||||||||
![]() |
![]() PIC10F200-E/P |
![]() Microchip Technology |
![]() 8-bit Microcontrollers (MCU) U 579-PIC10F200-I/P |
![]() Data Sheet |
![]() Negotiable |
|
||||||||||||
![]() |
![]() PIC10F200-I/MC |
![]() Microchip Technology |
![]() 8-bit Microcontrollers (MCU) 0.375KB Fl 16B RAM |
![]() Data Sheet |
![]()
|
|
||||||||||||
(Hong Kong)










