Product Summary
The qm75d1x-h is a Mitsubishi transistor module. The applications of the qm75d1x-h are: Inverters, Servo drives, UPS, DC motor controllers, NC equipment.
Parametrics
qm75d1x-h absolute maixmum ratings: (1)VCEX (SUS) Collector-emitter voltage IC=1A, VEB=2V: 1000V; (2)VCEX Collector-emitter voltage VEB=2V: 1000V; (3)VCBO Collector-base voltage: 1000V; (4)VEBO Emitter-base voltage: 7V; (5)IC Collector current: 75A; (6)–IC Collector reverse current: DC(forward diode current): 75A; (7)PC Collector dissipation TC=25℃: 500W; (8)IB Base current DC: 4A; (9)–ICSM Surge collector reverse current(forward diode current): 750A; (10)Tj Junction temperature: –40~+150 ℃; (11)Tstg Storage temperature: –40~+125 ℃; (12)Viso Isolation voltage: 2500V.
Features
qm75d1x-h features: (1)IC Collector current: 75A; (2)VCEX Collector-emitter voltage: 1000V; (3)hFE DC current gain: 75; (4)Insulated Type; (5)UL Recognized.
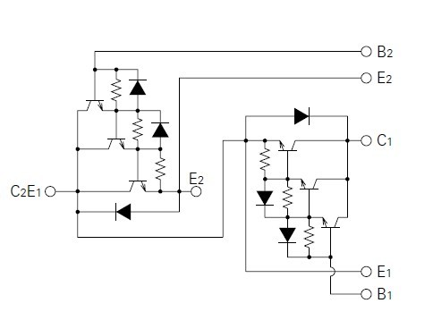
Diagrams

(Hong Kong)






