Product Summary
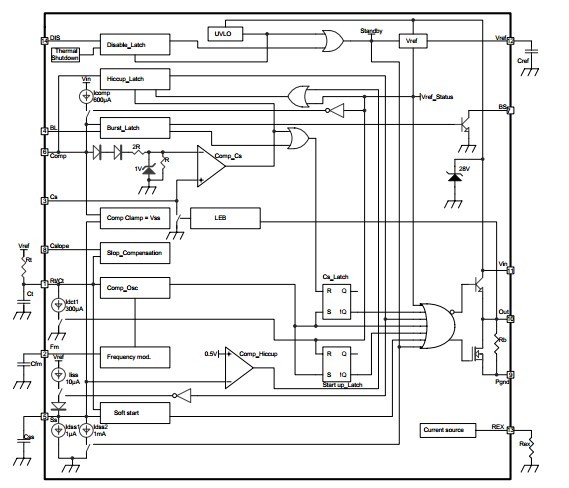
The tsm002 integrated circuits incorporate all circuitry to implement off line or DC-DC power supply applications using a fixed frequency current mode control. Based on a standard current mode PWM controller, these devices include additional features for higher integration.
Parametrics
tsm002 absolute maximum ratings: (1)Vin DC Supply Voltage (Iin<50mA)1: -0.3 to self limit V; (2)Io DC output current: 0.1 A; (3)Iopeak Peak output current: 1 A; (4)Vcomp COMP terminal voltage: -0.3 to 6.5 V; (5)Isinkcomp COMP terminal sink current: 6 mA; (6)Vss SS terminal voltage: -0.3 to 8 V; (7)Vout OUT terminal voltage: -0.3 to Vin V; (8)Vter Other terminal voltage (CT, VREF, BS, BL, CSLOPE REX, CS, FM, DIS): -0.3 to Vref V; (9)Pt Power dissipation at 25°C: 500 mW; (10)Tstg Storage temperature: -40 to 150 °C; (11)Tj Junction temperature: 150 °C; (12)ESD Electrostatic Discharge: 2 kV.
Features
tsm002 features: (1)Current-mode PWM Controller; (2)High-current output drive suitable for Power MOSFET; (3)Automatic burst mode in zero-load condition; (4)Primary overcurrent protection (hiccup mode); (5)Internal leading edge blanking on current sense; (6)External slope compensation capability; (7)Programmable soft start; (8)Frequency modulation for low emi; (9)Accurate oscillator frequency; (10)77% duty cycle limitation; (11)5V reference; (12)Under voltage protection; (13)Thermal shutdown at 130°C; (14)2kV ESD protection.
Diagrams

(Hong Kong)






