Product Summary
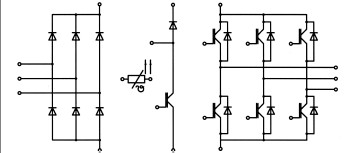
The SKIIP24NAB126V10 is a 3-phase bridge rectifier+brake chopper+3-phase bridge inverter. The typical applications of the device include inverter up to 19kVA and typical motor power 11kW.
Parametrics
SKIIP24NAB126V10 absolute maximum ratings: (1)VCES: 1200V; (2)IC: 52(40)A when Ts=25(70)℃; (3)ICRM: 70A; (4)VGES: ±20V; (5)Tj: -40 to +150℃; (6)VRRM: 1600V; (7)IF: 61A when Ts=70℃; (8)IFSM: 700A when tp=10ms, sin 180°, Tj=25℃; (9)I2t: 2400A2s when tp=10ms, sin 180°, Tj=25℃; (10)Tj: -40 to +150℃; (11)ItRMS: 40A when per power terminal (20A/spring); (12)Tstg: -40 to +125℃ when Top≤Tstg; (13)Visol: 2500V when AC, 1min.
Features
SKIIP24NAB126V10 features: (1)Fast trench IGBTS; (2)Robust and soft freewheeling diodes in CAL technology; (3)Highly reliable spring contacts for electrical connections; (4)UL recognised file no.E63532.
Diagrams

 (Hong Kong)
 (Hong Kong) 
                         
                        
 
                                    
