Product Summary
The 3mbi150sx-120 is an IGBT Module. The applications of the 3mbi150sx-120 include Inverter for Motor drive, AC and DC Servo drive amplifier, Uninterruptible power supply, Industrial machines, such as Welding machines.
Parametrics
3mbi150sx-120 absolute maximum ratings: (1)Collector-Emitter voltage, VCES: 1200 V; (2)Gate-Emitter voltaga, VGES: ±20 V; (3)Collector current, IC: 200 A; (4)Collector current, ICp: 150 A; (5)Collector current, -IC: 400 A; (6)Collector current, -IC pulse: 300 A; (7)Collector Power Dissipation, PC: 735 W; (8)Junction temperature, Tj: +150 ℃; (9)Storage temperature, Tstg: -40 to 125 ℃; (10)Isolation voltage between terminal and copper base, Viso: 2500 V; (11)Screw Torque: 3.5 N.m.
Features
3mbi150sx-120 features: (1)High speed switching; (2)Voltage drive; (3)Low inductance module structure.
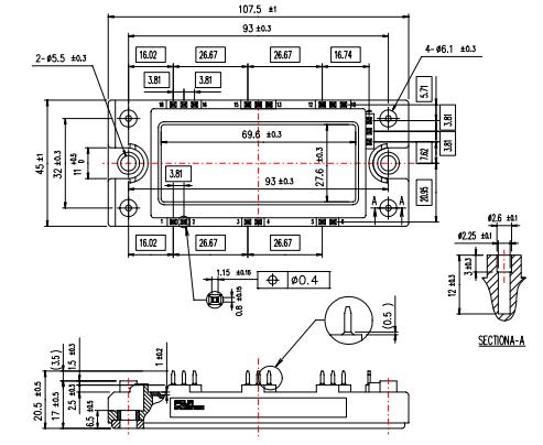
Diagrams

(Hong Kong)






