Product Summary
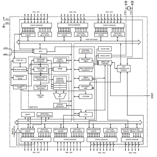
The ATMEGA169PV-8MU is a low-power CMOS 8-bit microcontroller based on the AVR enhanced RISC architecture. By executing
powerful instructions in a single clock cycle, the ATMEGA169PV-8MU achieves throughputs approaching 1 MIPS per MHz allowing the system designer to optimize power consumption versus processing speed.
Parametrics
ATMEGA169PV-8MU absolute maximum ratings: (1)Operating Temperature: -55℃ to +125℃; (2)Storage Temperature: -65℃ to +150℃; (3)Voltage on any Pin except RESET with respect to Ground: 0.5V to VCC+0.5V; (4)Voltage on RESET with respect to Ground: -0.5V to +13.0V; (5)Maximum Operating Voltage: 6.0V; (6)DC Current per I/O Pin: 40.0 mA; (7)DC Current VCC and GND Pins: 400.0 mA.
Features
ATMEGA169PV-8MU features: (1)High Performance, Low Power AVR?8-Bit Microcontroller; (2)Advanced RISC Architecture; (3)Non-volatile Program and Data Memories; (4)JTAG (IEEE std. 1149.1 compliant) Interface, Boundary-scan Capabilities According to the JTAG Standard; Extensive On-chip Debug Support; Programming of Flash, EEPROM, Fuses, and Lock Bits through the JTAG Interface; (5)4 x 25 Segment LCD Driver; (6)Two 8-bit Timer/Counters with Separate Prescaler and Compare Mode; (7)One 16-bit Timer/Counter with Separate Prescaler, Compare Mode, and Capture Mode; (8)Real Time Counter with Separate Oscillator; (9)Four PWM Channels; (10)8-channel, 10-bit ADC; (11)Programmable Serial USART; (12)Master/Slave SPI Serial Interface; (13)Universal Serial Interface with Start Condition Detector; (14)Programmable Watchdog Timer with Separate On-chip Oscillator; (15)On-chip Analog Comparator; (16)Interrupt and Wake-up on Pin Change; (17)Power-on Reset and Programmable Brown-out Detection; (18)Internal Calibrated Oscillator; (19)External and Internal Interrupt Sources; (20)Five Sleep Modes: Idle, ADC Noise Reduction, Power-save, Power-down, and Standby; (21)I/O and Packages, 54 Programmable I/O Lines; 64-lead TQFP and 64-pad QFN/MLF; (22)Speed Grade: ATmega169PV: 0 - 4 MHz @ 1.8 - 5.5V, 0 - 8 MHz @ 2.7 - 5.5V; (23)Temperature range: -40℃ to 85℃ Industrial; (24)Ultra-Low Power Consumption.
Diagrams

| Image | Part No | Mfg | Description | ![]() |
Pricing (USD) |
Quantity | ||||||||||||
|---|---|---|---|---|---|---|---|---|---|---|---|---|---|---|---|---|---|---|
![]() |
![]() ATMEGA169PV-8MU |
![]() Atmel |
![]() 8-bit Microcontrollers (MCU) AVR 16K FLASH 512B EE 1K SRAM 5V |
![]() Data Sheet |
![]()
|
|
||||||||||||
![]() |
![]() ATMEGA169PV-8MUR |
![]() Atmel |
![]() 8-bit Microcontrollers (MCU) AVR LCD 16KB FLSH EE 512B 1KB SRAM-8MHZ |
![]() Data Sheet |
![]()
|
|
||||||||||||
(Hong Kong)










