Product Summary
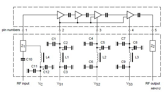
The BGY110G is a four-stage UHF amplifier module in a SOT246 package. The module consists of four NPN silicon planar transistor chips, mounted together with matching and bias circuit components on a metallized ceramic substrate. The applications of the BGY110G include Hand-held transmitting equipment operating in the 824 to 849 MHz, 872 to 905 MHz, 890 to 915 MHz and 902 to 928 MHz frequency ranges.
Parametrics
BGY110G absolute maximum ratings: (1)VS1, DC supply voltage: 10 V; (2)VS2, DC supply voltage: 10 V; (3)VS3, DC supply voltage: 10 V; (4)VC, DC control voltage: 4.5 V; (5)+Vo, RF output terminal voltage: 25 V; (6)PD, input drive power: 3 mW; (7)PL, load power: 2.25 W; (8)Tstg, storage temperature: -40 to +100℃; (9)Tmb, mounting base temperature: 90℃.
Features
BGY110G features: (1)7.2 V nominal supply voltage; (2)1.7 W output power; (3)Easy control of output power by DC voltage.
Diagrams

![]() |
![]() BGY1085A |
![]() NXP Semiconductors |
![]() RF Amplifier CATV P/P AMP 18.5dB |
![]() Data Sheet |
![]() Negotiable |
|
||||||||||
![]() |
![]() BGY1085A,112 |
![]() NXP Semiconductors |
![]() RF Amplifier CATV P/P AMP 18.5dB |
![]() Data Sheet |
![]()
|
|
||||||||||
![]() |
![]() BGY120A |
![]() Other |
![]() |
![]() Data Sheet |
![]() Negotiable |
|
||||||||||
![]() |
![]() BGY120B |
![]() Other |
![]() |
![]() Data Sheet |
![]() Negotiable |
|
||||||||||
![]() |
![]() BGY122A |
![]() Other |
![]() |
![]() Data Sheet |
![]() Negotiable |
|
||||||||||
![]() |
![]() BGY122B |
![]() Other |
![]() |
![]() Data Sheet |
![]() Negotiable |
|
||||||||||
(Hong Kong)









