Product Summary
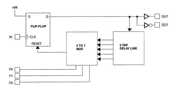
The DS1040Z-75 is a Programmable One-Shot Pulse Generator with a choice of five precise pulse widths. Maximum widths range from 50 ns to 500 ns; increments range from 2.5 ns to 100 ns. For maximum flexibility in applications such as magneto-optical read/write disk laser power control, varieties are offered with equal and unequal increments. The DS1040Z-75 is offered in standard 8-pin DIPs and 8-pin mini-SOICs. Low cost and superior reliability over hybrid technology are achieved by the combination of a 100% CMOS silicon design and industry standard packaging.
Parametrics
DS1040Z-75 absolute maximum ratings: (1)Voltage on any Pin Relative to Ground: -1.0V to +7.0V; (2)Operating Temperature: 0℃ to 70℃; (3)Storage Temperature: -55℃ to +125℃; (4)Soldering Temperature: 260℃ for 10 seconds; (5)Short Circuit Output Current: 50 mA for 1 second.
Features
DS1040Z-75 features: (1)All-silicon pulse width generator; (2)Five programmable widths; (3)Equal and unequal increments available; (4)Pulse widths from 5 ns to 500 ns; (5)Widths are stable and precise; (6)Rising edge-triggered; (7)Inverted and non-inverted outputs; (8)Width tolerance ±5% or ±2 ns, whichever is greater; (9)Economical; (10)Auto-insertable, low profile; (11)Low-power CMOS; (12)TTL/CMOS-compatible; (13)Vapor phase, IR and wave solderable; (14)Custom widths available; (15)Fast turn prototypes; (16)Extended temperature range available.
Diagrams

| Image | Part No | Mfg | Description | ![]() |
Pricing (USD) |
Quantity | ||||
|---|---|---|---|---|---|---|---|---|---|---|
![]() |
![]() DS1040Z-75 |
![]() Maxim Integrated Products |
![]() Delay Lines / Timing Elements |
![]() Data Sheet |
![]() Negotiable |
|
||||
![]() |
![]() DS1040Z-75/T&R |
![]() Maxim Integrated Products |
![]() Delay Lines / Timing Elements |
![]() Data Sheet |
![]() Negotiable |
|
||||
![]() |
![]() DS1040Z-75+ |
![]() Maxim Integrated Products |
![]() Delay Lines / Timing Elements |
![]() Data Sheet |
![]() Negotiable |
|
||||
![]() |
![]() DS1040Z-75+T&R |
![]() Maxim Integrated Products |
![]() Delay Lines / Timing Elements Programmable 1 Shot Pulse Generator |
![]() Data Sheet |
![]() Negotiable |
|
||||
(Hong Kong)










