Product Summary
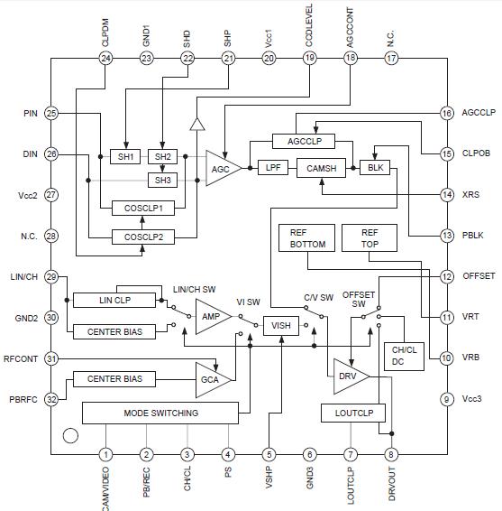
The CXA2006Q is a Digital CCD Camera Head Amplifier. This CXA2006Q provides the following functions: correlated double sampling, AGC for the CCD signal, GCA for the lowband chroma signal, AMP for high-band chroma and line signals, A/D sample and hold, blanking, A/D reference voltage, and an output driver.
Parametrics
CXA2006Q absolute maximum ratings: (1)Supply voltage, VCC: 14 V; (2)?Operating temperature, Topr: -20 to +75℃; (3)?Storage temperature, Tstg: -55 to +150℃; (4)?Allowable power dissipation, PD: 640 mW.
Features
CXA2006Q features: (1)High sensitivity made possible by a high-gain AGC amplifier; (2)Blanking function provided for the purpose of calibrating the CCD output signal black level; (3)Regulator output pin provided for A/D converter reference voltage; (4)Built-in GCA and AMP for amplifying video signals (chroma and line signals) from external sources; (5)Built-in sample-and-hold circuits (for camera signals and for video signals) required by external A/D converters.
Diagrams

| Image | Part No | Mfg | Description | ![]() |
Pricing (USD) |
Quantity | ||||||||||||
|---|---|---|---|---|---|---|---|---|---|---|---|---|---|---|---|---|---|---|
![]() |
![]() CXA2006Q |
![]() Other |
![]() |
![]() Data Sheet |
![]() Negotiable |
|
||||||||||||
| Image | Part No | Mfg | Description | ![]() |
Pricing (USD) |
Quantity | ||||||||||||
![]() |
![]() CXA20 |
![]() Other |
![]() |
![]() Data Sheet |
![]() Negotiable |
|
||||||||||||
![]() |
![]() CXA2000Q |
![]() Other |
![]() |
![]() Data Sheet |
![]() Negotiable |
|
||||||||||||
![]() |
![]() CXA2002R |
![]() Other |
![]() |
![]() Data Sheet |
![]() Negotiable |
|
||||||||||||
![]() |
![]() CXA2006Q |
![]() Other |
![]() |
![]() Data Sheet |
![]() Negotiable |
|
||||||||||||
![]() |
![]() CXA2011-0000-000P00F00E8 |
![]() Cree, Inc. |
![]() High Power LEDs - White White 680lm XLamp CXA LED |
![]() Data Sheet |
![]()
|
|
||||||||||||
![]() |
![]() CXA2011-0000-000P00F027F |
![]() Cree, Inc. |
![]() High Power LEDs - White White 680lm XLamp CXA LED |
![]() Data Sheet |
![]()
|
|
||||||||||||
(Hong Kong)










