Product Summary
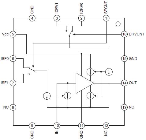
The CXA3738N is a high-speed buffer amplifier IC with built-in switches. The applications of the CXA3738N include CCD image sensor output buffers, digital still cameras, camcorders, other general buffers.
Parametrics
CXA3738N absolute maximum ratings: (1)Supply voltage, VCC: 16 V; (2)Input voltage, IN: GND -0.3 to VCC +0.3 V; (3)Storage temperature, Tstg: -65 to +150℃; (4)Allowable power dissipation, PD: 0.73 W.
Features
CXA3738N features: (1)Power consumption: 26 mW (typ.) (IDRV = 50μA (220kΩ when VCC = 15V), ISF current = 0, during no signal); (2)Push-pull output; (3)High-speed response: 500 V/μs (IDRV = 50μA (220kΩ when VCC = 15V), CL = 20pF); (4)Internal sink current mode for CCD source follower output. Settable by external resistance RISF; (5)Sink current and drive current with each built-in switch. Each current value can be set by an external resistance.
Diagrams

| Image | Part No | Mfg | Description | ![]() |
Pricing (USD) |
Quantity | ||||
|---|---|---|---|---|---|---|---|---|---|---|
![]() |
![]() CXA3738N-T4 |
![]() Other |
![]() |
![]() Data Sheet |
![]() Negotiable |
|
||||
| Image | Part No | Mfg | Description | ![]() |
Pricing (USD) |
Quantity | ||||
![]() |
![]() CXA3001N |
![]() Other |
![]() |
![]() Data Sheet |
![]() Negotiable |
|
||||
![]() |
![]() CXA3002N |
![]() Other |
![]() |
![]() Data Sheet |
![]() Negotiable |
|
||||
![]() |
![]() CXA3003R |
![]() Other |
![]() |
![]() Data Sheet |
![]() Negotiable |
|
||||
![]() |
![]() CXA3010Q |
![]() Other |
![]() |
![]() Data Sheet |
![]() Negotiable |
|
||||
![]() |
![]() CXA3017R |
![]() Other |
![]() |
![]() Data Sheet |
![]() Negotiable |
|
||||
![]() |
![]() CXA3018R |
![]() Other |
![]() |
![]() Data Sheet |
![]() Negotiable |
|
||||
(Hong Kong)









