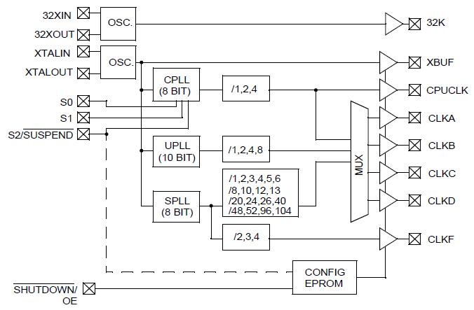
Product Summary
The CY2291SL-307T is a Three-PLL General Purpose EPROM Programmable Clock Generator. The CY2291SL-307T is upwardly compatible with the industry standard ICD2023 and ICD2028 and continues their tradition by providing a high level of customizable features to meet the diverse clock generation needs of modern motherboards and other synchronous systems. All parts provide a highly configurable set of clocks for PC motherboard applications. Each of the four configurable clock outputs (CLKA–CLKD) can be assigned 1 of 30 frequencies in any combination. Multiple outputs configured for the same or related frequencies will have low (<500 ps) skew, in effect providing on-chip buffering for heavily loaded signals.
Parametrics
CY2291SL-307T absolute maximum ratings: (1)Supply Voltage: -0.5V to +7.0V; (2)DC Input Voltage:-0.5V to +7.0V; (3)Storage Temperature: -65℃ to +150℃; (4)Max. Soldering Temperature (10 sec): 260℃; (5)Junction Temperature: 150℃; (6)Package Power Dissipation: 750 mW; (7)Static Discharge Voltage: >2000V.
Features
CY2291SL-307T features: (1)VOH, HIGH-Level Output Voltage, IOH = 4.0 mA: 2.4 V; (2)VOL, LOW-Level Output Voltage, IOL = 4.0 mA: 0.4 V; (3)VOH–32, 32.768-kHz HIGH-Level Output Voltage, IOH = 0.5 mA: VBATT 0.5V; (4)VOL–32, 32.768-kHz LOW-Level Output Voltage, IOL = 0.5 mA: 0.4 V; (5)VIH, HIGH-Level Input Voltage Except crystal pins: 2.0 V; (6)VIL, LOW-Level Input Voltage Except crystal pins: 0.8 V; (7)IIH, Input HIGH Current VIN = VDD–0.5V: <1 to 10 μA; (8)IIL, Input LOW Current VIN = +0.5V: <1 to 10 μA; (9)IOZ, Output Leakage Current Three-state outputs: 250 μA; (10)IDD, VDD Supply Current Commercial, VDD = VDD Max, 5V operation: 75 to 100 mA; (11)IDDS, VDD Power Supply Current in Shutdown Mode Shutdown active,; (12)excluding VBATT, CY2291/CY2291F: 10 to 50 μA; (13)IBATT, VBATT Power Supply Current, VBATT = 3.0V: 5 to 15μA.
Diagrams

![]() |
![]() CY22050FZXI |
![]() Cypress Semiconductor |
![]() Phase Locked Loops (PLL) 1-PLL Clk Syn IND |
![]() Data Sheet |
![]()
|
|
||||||||||||
![]() |
![]() CY22050KFC |
![]() Cypress Semiconductor |
![]() Phase Locked Loops (PLL) Flash Clock Gen 1MHz-133MHz |
![]() Data Sheet |
![]()
|
|
||||||||||||
![]() |
![]() CY22050KFZXC |
![]() Cypress Semiconductor |
![]() Phase Locked Loops (PLL) Flash Clock Gen 1MHz-133MHz |
![]() Data Sheet |
![]()
|
|
||||||||||||
![]() |
![]() CY22050KFZXI |
![]() Cypress Semiconductor |
![]() Phase Locked Loops (PLL) Flash Clock Gen 1MHz-133MHz |
![]() Data Sheet |
![]()
|
|
||||||||||||
![]() |
![]() CY22050KZXC-135 |
![]() Cypress Semiconductor |
![]() Clock Generators & Support Products One-PLL Gen Purpose FL-Prog Clk Gen 3.3V |
![]() Data Sheet |
![]()
|
|
||||||||||||
![]() |
![]() CY22050KZXC-135T |
![]() Cypress Semiconductor |
![]() Clock Generators & Support Products One-PLL Gen Purpose FL-Prog Clk Gen 3.3V |
![]() Data Sheet |
![]()
|
|
||||||||||||
(Hong Kong)











