Product Summary
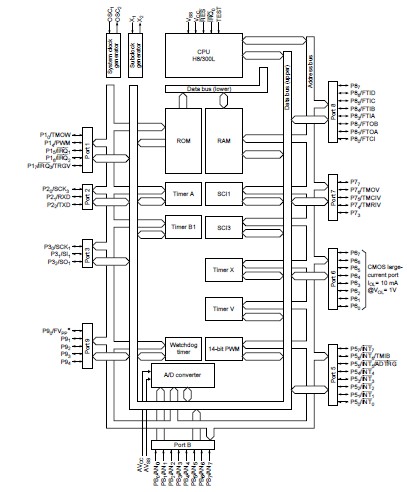
The H8-3644 is a single-chip microcomputer (MCU: microcomputer unit), built around the high-speed H8/300L CPU and equipped with peripheral system functions on-chip. Within the H8-3644 is equipped with a UART (Universal Asynchronous Receiver/Transmitter). Other on-chip peripheral functions include five timers, a 14-bit pulse width modulator (PWM), two serial communication interface channels, and an A/D converter, providing an ideal configuration as a microcomputer for embedding in highlevel control systems.
Parametrics
H8-3644 absolute maximum ratings: (1)Power supply voltage VCC: -0.3 to +7.0 V; (2)Analog power supply voltage AVCC: -0.3 to +7.0 V; (3)Operating temperature Topr: -20 to +75 °C; (4)Storage temperature Tstg: -55 to +125 °C.
Features
H8-3644 features: (1)General-register architecture; (2)General registers: Sixteen 8-bit registers (can be used as eight 16-bit registers); (3)Operating speed; (4)12 external interrupt sources (IRQ3 to IRQ0, INT7 to INT0); (5)21 internal interrupt sources; (6)Two on-chip clock pulse generators.
Diagrams

(Hong Kong)






