Product Summary
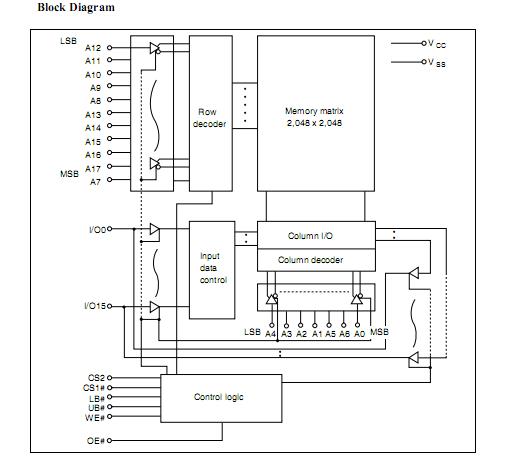
The R1LV0416CSB-7LI is a 4-Mbit static RAM organized 256-kword × 16-bit. The R1LV0416CSB-7LI has realized higher density, higher performance and low power consumption by employing CMOS process technology (6-transistor memory cell). The R1LV0416CSB-7LI offers low power standby power dissipation; therefore, it is suitable for battery backup systems. It has packaged in 44-pin TSOP II.
Parametrics
R1LV0416CSB-7LI absolute maximum ratings:(1)Power supply voltage relative to VSS, VCC: -0.5 to +4.6V; (2)Terminal voltage on any pin relative to VSS, VT: -0.5-1 to VCC + 0.3-2V; (3)Power dissipation, PT: 0.7W; (4)Operating temperature, Topr: -40 to +85℃; (5)Storage temperature range, Tstg: -65 to +150℃; (6)Storage temperature range under bias, Tbias: -40 to +85℃.
Features
R1LV0416CSB-7LI features: (1)Single 2.5V and 3.0V supply: 2.2V to 3.6V; (2)Fast access time: 55/70ns (max); (3)Power dissipation of active: 5.0 mW/MHz (typ)(VCC = 2.5V), 6.0 mW/MHz (typ) (VCC=3.0V); (4)Standby: 1.25μW (typ) (VCC = 2.5V), 1.5μW (typ) (VCC=3.0V); (5)Completely static memory; (6)No clock or timing strobe required; (7)Equal access and cycle times; (8)Common data input and output; (9)Three state output; (10)Battery backup operation; (11)2 chip selection for battery backup; (12)Temperature range: -40 to +85℃.
Diagrams

(Hong Kong)






