Product Summary
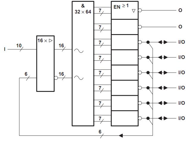
The TIBPAL16L8-25CN is a programmable array logic device features high speed and functional equivalency when compared with currently available devices. The IMPACT circuit combines the latest Advanced Low-Power Schottky technology with proven titanium-tungsten fuses to provide reliable, high-performance substitutes for conventional TTL logic. The TIBPAL16L8-25CN’s easy programmability allows for quick design of custom functions and typically results in a more compact circuit board. In addition, chip carriers are available for further reduction in board space.
Parametrics
TIBPAL16L8-25CN absolute maximum ratings: (1)Supply voltage, VCC: 7 V; (2)Input voltage: 5.5 V; (3)Voltage applied to disabled output: 5.5 V; (4)Operating free-air temperature range: 0℃ to 75℃; (5)Storage temperature range, Tstg: -65℃ to 150℃.
Features
TIBPAL16L8-25CN features: (1)High-Performance Operation: Propagation Delay, C Suffix: 25 ns Max; M Suffix: 30 ns Max; (2)Functionally Equivalent, but Faster Than PAL16L8A, PAL16R4A, PAL16R6A, and PAL16R8A; (3)Power-Up Clear on Registered Devices (All Register Outputs Are Set High, but Voltage Levels at the Output Pins Go Low); (4)Package Options Include Both Plastic and Ceramic Chip Carriers in Addition to Plastic and Ceramic DIPs; (6)Dependable Texas Instruments Quality and Reliability.
Diagrams

| Image | Part No | Mfg | Description | ![]() |
Pricing (USD) |
Quantity | ||||||||||||
|---|---|---|---|---|---|---|---|---|---|---|---|---|---|---|---|---|---|---|
![]() |
![]() TIBPAL16L8-25CN |
![]() Texas Instruments |
![]() Programmable Array Logic - Special Low-Power High-Perf Impact PAL Circuits |
![]() Data Sheet |
![]()
|
|
||||||||||||
| Image | Part No | Mfg | Description | ![]() |
Pricing (USD) |
Quantity | ||||||||||||
![]() |
![]() TIBPAL 16L8-15C |
![]() Other |
![]() |
![]() Data Sheet |
![]() Negotiable |
|
||||||||||||
![]() |
![]() TIBPAL 16L8-20M |
![]() Other |
![]() |
![]() Data Sheet |
![]() Negotiable |
|
||||||||||||
![]() |
![]() TIBPAL16L8-10C |
![]() Other |
![]() |
![]() Data Sheet |
![]() Negotiable |
|
||||||||||||
![]() |
![]() TIBPAL16L8-10CFN |
![]() Texas Instruments |
![]() Programmable Array Logic - Special High-Performance Impact-X PAL Circuit |
![]() Data Sheet |
![]()
|
|
||||||||||||
![]() |
![]() TIBPAL16L8-10CN |
![]() Texas Instruments |
![]() Programmable Array Logic - Special High-Performance Impact-X PAL Circuit |
![]() Data Sheet |
![]()
|
|
||||||||||||
![]() |
![]() TIBPAL16L8-12M |
![]() Other |
![]() |
![]() Data Sheet |
![]() Negotiable |
|
||||||||||||
(Hong Kong)










