Product Summary
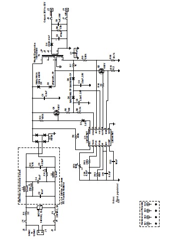
The TSL0808RA-332KR14-PF is a 10-W, 120-VAC isolated dimmable LED driver whose form factor intended for A19/R27 applications. The TSL0808RA-332KR14-PF is a primary-side power regulated PFC controller used for commercial and residential phase-cut dimmer compatible LED lamp drivers. The TSL0808RA-332KR14-PF uses fixed frequency valley switching operation resulting in discontinuous current operation.
Parametrics
TSL0808RA-332KR14-PF absolute maximum ratings: (1)Voltage range: 90 to 135 V; (2)Maximum input current: 100 mA; (3)Output Characteristics Output voltage, VOUT 9 to 10 LED: 28 to 32 V; (4)Output load current, IOUT: 240 to 310 mA; (5)Output current ripple VIN = 120 VAC: 100 mApp; (6)Output over voltage: 36 V; (7)Switching frequency: 75 kHz.
Features
TSL0808RA-332KR14-PF features: (1)Primary-Side Control; (2)Leading and Trailing Edge Compatible; (3)50:1 Dimming Range; (4)Valley Switching; (5)Fixed Frequency Discontinuous Operation; (6)Thermal Foldback; (7)PFC; (8)Efficient Triac Hold Current Operation; (9)LED Short and Open Circuit Detection; (10)Thermal Foldback; (11)Constant Power Operation.
Diagrams

| Image | Part No | Mfg | Description | ![]() |
Pricing (USD) |
Quantity | ||||||||||||||
|---|---|---|---|---|---|---|---|---|---|---|---|---|---|---|---|---|---|---|---|---|
![]() |
![]() TSL0808RA-332KR14-PF |
![]() TDK |
![]() Power Inductors 3300uH 0.14A |
![]() Data Sheet |
![]()
|
|
||||||||||||||
| Image | Part No | Mfg | Description | ![]() |
Pricing (USD) |
Quantity | ||||||||||||||
![]() |
![]() TSL060-112 |
![]() Other |
![]() |
![]() Data Sheet |
![]() Negotiable |
|
||||||||||||||
![]() |
![]() TSL0709RA-100K1R9-PF |
![]() TDK |
![]() Power Inductors 10uH |
![]() Data Sheet |
![]()
|
|
||||||||||||||
![]() |
![]() TSL0709RA-101KR66-PF |
![]() TDK |
![]() Power Inductors 100uH |
![]() Data Sheet |
![]()
|
|
||||||||||||||
![]() |
![]() TSL0709RA-102KR19-PF |
![]() TDK |
![]() Power Inductors 1000uH |
![]() Data Sheet |
![]()
|
|
||||||||||||||
![]() |
![]() TSL0709RA-150K1R6-PF |
![]() TDK |
![]() Power Inductors 15uH |
![]() Data Sheet |
![]()
|
|
||||||||||||||
![]() |
![]() TSL0709RA-151KR52-PF |
![]() TDK |
![]() Power Inductors 150uH |
![]() Data Sheet |
![]()
|
|
||||||||||||||
(Hong Kong)













