Product Summary
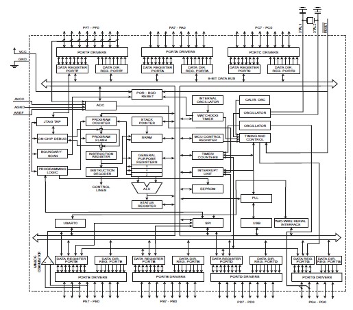
The AT90USB1286-AU is a low-power CMOS 8-bit microcontroller based on the AVR enhanced RISC architecture. By executing powerful instructions in a single clock cycle, the AT90USB1286-AU achieves throughputs approaching 1 MIPS per MHz allowing the system designer to optimize power consumption versus processing speed.
Parametrics
AT90USB1286-AU absolute maximum ratings: (1)VINT2, internal voltage reference: 2.4 to 2.8 V; (2)RREF, reference input resistance: 32 kΩ; (3)RAIN, analog input resistance: 100 MΩ.
Features
AT90USB1286-AU features: (1)High performance, low power AVR 8-Bit microcontroller; (2)Advanced RISC Architecture: 135 powerful instructions – most single clock cycle execution; 32 x 8 general purpose working registers; Fully static operation; Up to 16 MIPS throughput at 16 MHz; On-chip 2-cycle multiplier; (3)JTAG (IEEE std. 1149.1 compliant)interface: Boundary-scan capabilities according to the JTAG standard; Extensive On-chip debug support; Programming of flash, EEPROM, fuses, and lock bits through the JTAG interface; (4)USB 2.0 full-speed/low-speed device and on-the-go module: Complies fully with; Universal serial bus specification REV 2.0; On-the-go supplement to the USB 2.0 specification Rev 1.0; Supports data transfer rates up to 12 Mbit/s and 1.5 Mbit/s.
Diagrams

| Image | Part No | Mfg | Description | ![]() |
Pricing (USD) |
Quantity | ||||||||
|---|---|---|---|---|---|---|---|---|---|---|---|---|---|---|
![]() |
![]() AT90USB1286-AU |
![]() Atmel |
![]() 8-bit Microcontrollers (MCU) USB 128K FLASH 16 MHz |
![]() Data Sheet |
![]()
|
|
||||||||
![]() |
![]() AT90USB1286-AUR |
![]() Atmel |
![]() 8-bit Microcontrollers (MCU) USB 128K FLASH 16 MHz |
![]() Data Sheet |
![]()
|
|
||||||||
(Hong Kong)









