Product Summary
The df30db80 is a Power Diode Module, which is designed for three phase full wave rectification. It has six diodes connected in a three phase bridge configuration. The mounting base of the module is electrically isolated from semiconductor elements for simple heatsink construction output DC current is 30Amp (Tc=83℃) Repetitive peak reverse voltage is up to 800V.
Parametrics
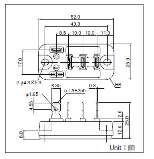
df30db80 absolute maximum ratings: (1)VRRM Repetitive Peak Reverse Voltage: 800V; (2)VRSM Non-Repetitive Peak Reverse Voltage: 900V; (3)ID Output current (D.C.) Three phase. full wave. TC=83℃: 30 A; (4)IFSM Surge Forward Current 1 cycle, 50/60HZ, peak value, non-repetitive: 365/400 A; (5)Tj Junction Temperature: -40 to 150℃; (6)Tstg Storage Temperature: -40 to 125℃; (7)VISO Isolation Breakdown Voltage (R.M.S) Main Terminal to case 1minute: 2000 V; (8)Mounting Torque (M4) Recommended Value 1.0 to 1.4 (10 to 14): 1.5 N·m; (9)Mass Typical Valu: 32 g.
Features
df30db80 features: (1)TjMax=150℃; (2)Isolated Mounting Base; (3)High reliability by unique glass passivation; (4)Easy Assemble by the #250 terminal Tab; (5)Application: AC. DC Motor Drive/AVR/Switching-for three phase rectification.
Diagrams

| Image | Part No | Mfg | Description | ![]() |
Pricing (USD) |
Quantity | ||||||||||||||||||||||
|---|---|---|---|---|---|---|---|---|---|---|---|---|---|---|---|---|---|---|---|---|---|---|---|---|---|---|---|---|
![]() |
![]() DF30DB80 |
![]() Other |
![]() |
![]() Data Sheet |
![]() Negotiable |
|
||||||||||||||||||||||
| Image | Part No | Mfg | Description | ![]() |
Pricing (USD) |
Quantity | ||||||||||||||||||||||
![]() |
![]() DF30 |
![]() Other |
![]() |
![]() Data Sheet |
![]() Negotiable |
|
||||||||||||||||||||||
![]() |
![]() DF300R12KE3 |
![]() Infineon Technologies |
![]() IGBT Transistors 1200V 300A DUAL |
![]() Data Sheet |
![]()
|
|
||||||||||||||||||||||
![]() |
![]() DF3024F25V |
![]() |
![]() IC H8/3024 MCU FLASH 100QFP |
![]() Data Sheet |
![]()
|
|
||||||||||||||||||||||
![]() |
![]() DF3024FBL25V |
![]() |
![]() IC H8 MCU FLASH 128K 100QFP |
![]() Data Sheet |
![]()
|
|
||||||||||||||||||||||
![]() |
![]() DF3026X25V |
![]() |
![]() MCU 3V 256K PB-FREE 100-TQFP |
![]() Data Sheet |
![]()
|
|
||||||||||||||||||||||
![]() |
![]() DF3026XBL25V |
![]() |
![]() IC H8 MCU FLASH 256K 100TQFP |
![]() Data Sheet |
![]()
|
|
||||||||||||||||||||||
(Hong Kong)











