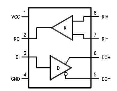
Product Summary
The ds8921an is a differential line driver and receiver pair designed specifically for applications meeting the ST506, ST412 and ESDI Disk Drive Standards. In addition, the ds8921an meets the requirements of the EIA Standard RS-422.
Parametrics
ds8921an absolute maximum ratings: (1)Supply Voltage: 7V; (2)Driver Input Voltage: -0.5V to +7V; (3)Output Voltage: 5.5V; (4)Receiver Output Sink Current: 50 mA; (5)Receiver Input Voltage: ±10V; (6)Differential Input Voltage: ±12V; (7)Maximum Package Power Dissipation @ +25℃. M Package: 730 mW, N Package: 1160 mW; (8)Derate M Package: 9.3 mW/℃ above+25℃; (9)Derate N Package: 5.8 mW/℃ above+25℃.
Features
ds8921an features: (1)12 ns typical propagatiodelay; (2)Output skew - 0.5 ns typical; (3)Meet the requirements of EIA Standard RS-422; (4)Complementary Driver Outputs; (5)High differential or common-mode input voltage ranges of ±7V; (6)±0.2V receiver sensitivity over the input voltage range; (7)Receiver input hysteresis-70 mV typical; (8)DS8921AT industrial temperature operation: (-40 to +85℃).
Diagrams

| Image | Part No | Mfg | Description | ![]() |
Pricing (USD) |
Quantity | ||||||||||||
|---|---|---|---|---|---|---|---|---|---|---|---|---|---|---|---|---|---|---|
![]() |
![]() DS8921AN |
![]() |
![]() IC LINE DRV/RCVR DIFF PAIR 8DIP |
![]() Data Sheet |
![]() Negotiable |
|
||||||||||||
| Image | Part No | Mfg | Description | ![]() |
Pricing (USD) |
Quantity | ||||||||||||
![]() |
![]() DS8906 |
![]() Other |
![]() |
![]() Data Sheet |
![]() Negotiable |
|
||||||||||||
![]() |
![]() DS8907 |
![]() Other |
![]() |
![]() Data Sheet |
![]() Negotiable |
|
||||||||||||
![]() |
![]() DS8908B |
![]() Other |
![]() |
![]() Data Sheet |
![]() Negotiable |
|
||||||||||||
![]() |
![]() DS8911 |
![]() Other |
![]() |
![]() Data Sheet |
![]() Negotiable |
|
||||||||||||
![]() |
![]() DS8921 |
![]() Other |
![]() |
![]() Data Sheet |
![]() Negotiable |
|
||||||||||||
![]() |
![]() DS8921AM |
![]() National Semiconductor (TI) |
![]() Bus Receivers |
![]() Data Sheet |
![]()
|
|
||||||||||||
(Hong Kong)











