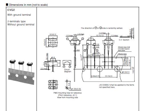
Product Summary
The evq21405r is a 5N Type 2R Light Touch Switch.
Parametrics
evq21405r absolute maximum ratings: (1)Electrical Rating: 10μA 2 Vdc to 20 mA 15 Vdc (Resistiv load); (2)Electrical Contact Resistance: 50 mΩ max.; (3)Electrical Insulation Resistance: 50 MΩ min. (at 100 Vdc); (4)Electrical Dielectric With stand ing Voltage: 250 Vac for 1 minute; (5)Electrical Bouncing: 3 ms max. (ON), 8 ms max. (OFF); (6)Mechanical Travel: 0.25 mm ± 0.10 mm; (7)Minimum Quantity/Packing Unit Top-push: 1000 pcs. Radial Taping (Reel Pack); (8)Quantity/Carton Top-push: 10000 pcs.; (9)Operating Temperature: -20℃ to +70℃; (10)Storage temperature: -40℃ to +85℃ (Bulk), -20℃ to +40℃ (Taping).
Features
evq21405r features: (1)Wealth of product types: With or without a ground terminal, vertical type, snap-in terminals, etc; (2)Can be automatically dip-soldered: Integral molding of the terminals and main body prevents the escape of flux; (3)Recommended Applications: Operating switches for electronic equipment.
Diagrams

(Hong Kong)






