Product Summary
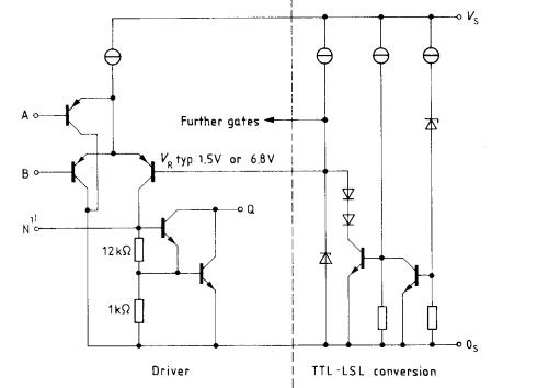
The fzh165 is a DRIVER AND LEVEL CONVERTER. The applications of the fzh165 include Driver up to 30 V/150 mA, relay driver, and level converter.
Parametrics
fzh165 absolute maximum ratings: (1)Supply voltage, VS: 0 to 30 V; (2)Input voltage, VL: -0.5 to 30 V; (3)Voltage between 2 inputs, VLL: 30 V; (4)Voltage at output, output transistor cut off, VQH: 30 V; (5)Voltage at output, output transistor conducting, VQL: 0 V; (6)Output current, IQL: 150 mA; (7)Capacitance at Q, CL: 5 nF; (8)Voltage at N: -1 to 0.6 V; (9)Current at N: -10 to 2 mA; (10)Storage temperature, Tstg: -65 to 125 ℃; (11)Thermal resistance system-air, Rthsa: 60 K/W.
Features
fzh165 features: (1)Supply voltage range, VS: 4 to 7 V; (2)Supply voltage, VS: 4 to 30 V; (3)Ambient temperature, TA: 0 to 70 ℃.
Diagrams

(Hong Kong)






