Product Summary
The g8nd-2uk-12vdc is an Ultra-Miniature Automotive PCB Relay.Typical applications include: (1)Power windows/power door lock; (2)Smart junction box and module applications; (3)Seat adjustment; (4)Sunroof.
Parametrics
g8nd-2uk-12vdc absolute maximum ratings: (1)Max. switching current: 30 A; (2)Max. switching voltage: 16 V; (3)Max. carry current: 25 A (at 20°C for 1 hour); (4)Min. carry current: 100 mA; (5)Contact material: Silver-tin alloy - cadmium free.
Features
g8nd-2uk-12vdc features: (1)Compact size; (2)High performance PCB relay; (3)Fully automated assembly; (4)Fully sealed construction; (5)SPDT contacts with internal H-bridge.
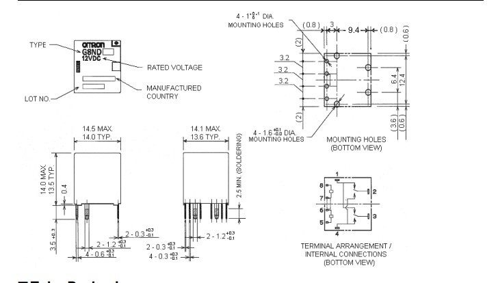
Diagrams

(Hong Kong)






