Product Summary
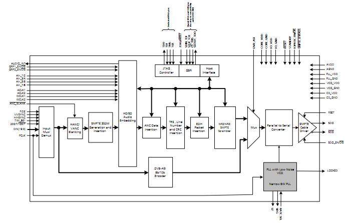
The gs1672 is a HD/SD-SDI serializer, generating a SMPTE 292, SMPTE 259M-C or DVB-ASI compliant serial digital output signal. The integrated Narrow BW PLL allows the device to accept parallel clocks with high input jitter, and still provide a SMPTE compliant serial digital output. The application of the gs1672 includes 1080p 30 Camera/Camcorder.
Parametrics
gs1672 absolute maximum ratings: (1)Supply Voltage, Digital Core (CORE_VDD): -0.3V to +1.5V; (2)Supply Voltage, Digital I/O (IO_VDD): -0.3V to +3.6V; (3)Supply Voltage, Analog 1.2V (PLL_VDD, VCO_VDD): -0.3V to +1.5V; (4)Supply Voltage, Analog 3.3V (CD_VDD, A_VDD): -0.3V to +3.6V; (5)Input Voltage Range (digital inputs): -2.0V to +5.25V; (6)Operating Temperature Range: -20℃ to +85℃; (7)Functional Temperature Range: -40℃ to +85℃; (8)Storage Temperature Range: -40℃ to +125℃; (9)Peak Reflow Temperature (JEDEC J-STD-020C): 260℃; (10)ESD Sensitivity, HBM (JESD22-A114): 2kV.
Features
gs1672 features: (1)Operation at 1.485Gb/s, 1.485/1.001Gb/s and 270Mb/s; (2)Supports SMPTE 292, SMPTE 259M-C and DVB-ASI; (3)Integrated Cable Driver; (4)Integrated, low-noise VCO; (5)Integrated Narrow-Bandwidth PLL; (6)Integrated Audio Embedder for up to 8 channels of 48kHz audio; (7)Ancillary data insertion; (8)Parallel data bus selectable as either 20-bit or 10-bit; (9)SMPTE video processing including TRS calculation and insertion, line number calculation and insertion, line based CRC calculation and insertion, illegal code re-mapping, SMPTE 352M payload identifier generation and insertion; (10)GSPI host interface; (11)1.2V digital core power supply, 1.2V and 3.3V analog power supplies, and selectable 1.8V or 3.3V I/O power supply; (12)-20℃ to +85℃ operating temperature range; (13)Low power operation (typically at 350mW, including Cable Driver); (14)Small 11mm × 11mm 100-ball BGA package; (15)Pb-free and RoHS compliant.
Diagrams

(Hong Kong)






