Product Summary
The irf140 is a power MOSFET transistor. The efficient geometry and unique processing of this latest“State of the Art” design achieves: very low on-state resistance combined with high transconductance; superior reverse energy and diode recovery dv/dt capability. The irf140 also features all of the well established advantages of MOSFETs such as voltage control, very fast switching, ease of paralleling and temperature stability of the electrical parameters. They are well suited for applications such as switching power supplies, motor controls, inverters, choppers, audio amplifiers and high energy pulse circuits.
Parametrics
irf140 absolute maximum ratings: (1)continuous drain current: 28A; (2)max. power dissipation: 125W; (3)gate-to-source voltage: ±20 V; (4)single pulse avalanche energy: 250 mJ; (5)avalanche current: 28A; (6)operating junction storage temperature range: -55 to 150°C.
Features
irf140 features: (1)repetitive avalanche ratings; (2)dynamic dv/dt rating; (3)hermetically sealed; (4)simple drive requirements; (5)ease of paralleling.
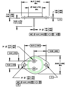
Diagrams

| Image | Part No | Mfg | Description | ![]() |
Pricing (USD) |
Quantity | ||||||||||||
|---|---|---|---|---|---|---|---|---|---|---|---|---|---|---|---|---|---|---|
![]() |
![]() IRF1404L |
![]() |
![]() MOSFET N-CH 40V 162A TO-262 |
![]() Data Sheet |
![]()
|
|
||||||||||||
![]() |
![]() IRF1404LPBF |
![]() International Rectifier |
![]() MOSFET MOSFT 40V 162A 4mOhm 160nC |
![]() Data Sheet |
![]()
|
|
||||||||||||
![]() |
![]() IRF1404PBF |
![]() International Rectifier |
![]() MOSFET MOSFT 40V 162A 4mOhm 160nC |
![]() Data Sheet |
![]()
|
|
||||||||||||
![]() |
![]() IRF1404S |
![]() |
![]() MOSFET N-CH 40V 162A D2PAK |
![]() Data Sheet |
![]()
|
|
||||||||||||
![]() |
![]() IRF1404STRL |
![]() International Rectifier |
![]() MOSFET N-CH 40V 162A D2PAK |
![]() Data Sheet |
![]()
|
|
||||||||||||
![]() |
![]() IRF1404STRLPBF |
![]() International Rectifier |
![]() MOSFET MOSFT 40V 162A 4mOhm 160nC |
![]() Data Sheet |
![]()
|
|
||||||||||||
![]() |
![]() IRF1404STRRPBF |
![]() International Rectifier |
![]() MOSFET |
![]() Data Sheet |
![]()
|
|
||||||||||||
![]() |
![]() IRF1404ZGPBF |
![]() International Rectifier |
![]() MOSFET MOSFT 40V 190A 3.7mOhm 100nC |
![]() Data Sheet |
![]()
|
|
||||||||||||
(Hong Kong)












