Product Summary
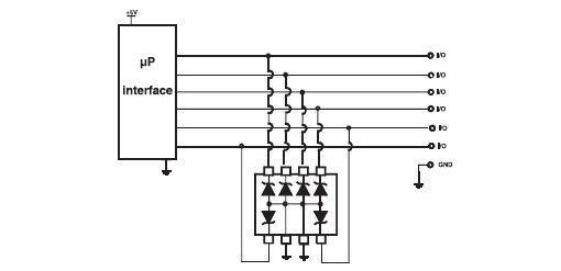
The ita6v1m3 is a transil array. Transil diode arrays provide high overvoltage protection by clamping action. Their instantaneous response to transient overvoltages makes them particularly suited to protect voltage sensitive devices such as MOS Technology and low voltage supplied ICs. It is ideal for: Data transmission lines protection : Unipolar signal up to 5.5V; Bipolar signal in the +/- 2.5V range
Parametrics
ita6v1m3 absolute maximum ratings: (1)PPP Peak pulse power dissipation (8/20ms)(see note 1)Tj initial = Tamb: 300 W; (2)IPP Peak pulse current (8/20ms)(see note 1)Tj initial = Tamb: 40 A; (3)I2t Wire I2t value (see note 1): 0.6 A2s; (4)Tstg Storage temperature range: - 55 to + 150 °C; (5)TL Maximum lead temperature for soldering during 10s: 260°C
Features
ita6v1m3 features: (1)high surge capability transil array ipp = 40 a (8/20ms); (2)peak pulse power : 300 w (8/20ms); (3)up to 6 unidirectional transil functions; (4)low clamping factor (vcl / vbr)at high current level; (5)low leakage current; (6)esd protectioup to 15kv.
Diagrams

(Hong Kong)






