Product Summary
The jm38510/11108bxa is a precision dual single-pole, double-throw (SPDT) analog switch designed to provide accurate switching of video and audio signals. The jm38510/11108bxa is ideally suited for applications requiring a constant on-resistance over the entire analog range. Reduced errors are achieved through low leakage current (ID(on)< 2 nA). Applications which benefit from the flat JFET on-resistance include audio switching, video switching, and data acquisition. The applications of the jm38510/11108bxa include: Audio Switching, Video Switching, Sample/Hold, Guidance and Control Systems, Aerospace.
Parametrics
jm38510/11108bxa absolute maximum ratings: (1)V+ to V-: 36 V; (2)V+ to VD: 33 V; (3)VS, VD to V-: -0.3 to 33 V; (4)VD to VD: ±22 V; (5)VL to V-: 36 V; (6)VL to VIN: 8 V; (7)VL to VR: 8 V; (8)VIN to VR: 8 V; (9)VR to V-: 27 V; (10)VR to VIN: 2 V; (11)Current (All Other Pins): 30 mA; (12)Storage Temperature: -65 to 150 ℃; (13)Power Dissipation 16-Pin Sidebraze: 900 mW; 14-Pin Flat Pack: 900 mW.
Features
jm38510/11108bxa features: Constant On-Resistance Over Entire Analog Range, Low Leakage, Low Crosstalk, Rad Hardness.
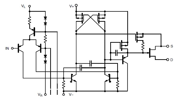
Diagrams

(Hong Kong)






