Product Summary
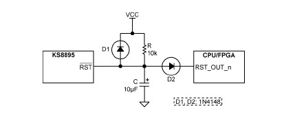
The KSZ8895MQ is a highly-integrated, Layer 2-managed, five-port switch with numerous features designed to reduce system cost. Intended for cost-sensitive 10/100Mbps five-port switch systems with low power consumption, on-chip termination, and internal core power controllers, the KSZ8895MQ supports high-performance memory bandwidth and shared memory-based switch fabric with non-blocking configuration. Its extensive feature set includes power management, programmable rate limit and priority ratio, tag/port-based VLAN, packets filtering, four-queue QoS prioritization, management interfaces, and MIB counters. Applications are (1)Typical; (2)VoIP Phone; (3)Set-top/Game Box; (4)Automotive; (5)Industrial control; (6)IPTV POF; (7)SOHO residential gateway; (8)Broadband gateway/firewall/VPN; (9)Integrated DSL/cable modem; (10)Wireless LAN access point + gateway; (11)Standalone 10/100 switch.
Parametrics
KSZ8895MQ absolute maximum ratings: (1)Supply voltage: (VDDAR, VDDAP, VDDC): –0.5V to +2.4V; (VDDAT, VDDIO): –0.5V to +4.0V; (2)Input voltage: –0.5V to +4.0V; (3)Output voltage: –0.5V to +4.0V; (4)Lead temperature (soldering, 10 sec.): 260°C; (5)Storage temperature (TS): –55°C to +150°C; (6)HBM ESD rating: 4KV.
Features
KSZ8895MQ features: (1)IEEE 802.1q VLAN support for up to 128 VLAN groups (full-range 4096 of VLAN IDs); (2)Static MAC table supports up to 32 entries; (3)VLAN ID tag/untag options, per port basis; (4)IEEE 802.1p/q tag insertion or removal on a per port basis based on ingress port (egress); (5)Programmable rate limiting at the ingress and egress on a per port basis; (6)Jitter-free per packet based rate limiting support; (7)Broadcast storm protection with percentage control (global and per port basis); (8)IEEE 802.1d rapid spanning tree protocol RSTP support; (9)Tail tag mode (1 byte added before FCS)support at Port 5 to inform the processor which ingress port receives the packet; (10)1.4Gbps high-performance memory bandwidth and shared memory-based switch fabric with fully non-blocking configuration; (11)Dual MII with MAC5 and PHY5 on port 5, SW5- MII/RMII for MAC 5 and P5-MII/RMII for PHY 5; (12)Enable/Disable option for huge frame size up to 2000 Bytes per frame; (13)IGMP v1/v2 snooping (Ipv4)support for multicast packet filtering; (14)IPv4/IPv6 QoS support; (15)Support unknown unicast/multicast address and unknown VID packet filtering; (16)Self-address filtering.
Diagrams

| Image | Part No | Mfg | Description | ![]() |
Pricing (USD) |
Quantity | ||||||||||||||||||||
|---|---|---|---|---|---|---|---|---|---|---|---|---|---|---|---|---|---|---|---|---|---|---|---|---|---|---|
![]() |
![]() KSZ8895MQ |
![]() |
![]() IC ETHERNET SW 5PORT 128-PQFP |
![]() Data Sheet |
![]()
|
|
||||||||||||||||||||
![]() |
![]() KSZ8895MQ-EVAL |
![]() |
![]() BOARD EVALUATION FOR KSZ8895MQ |
![]() Data Sheet |
![]()
|
|
||||||||||||||||||||
![]() |
![]() KSZ8895MQI |
![]() |
![]() IC ETHERNET SWITCH 5PORT 128PQFP |
![]() Data Sheet |
![]()
|
|
||||||||||||||||||||
(Hong Kong)










