Product Summary
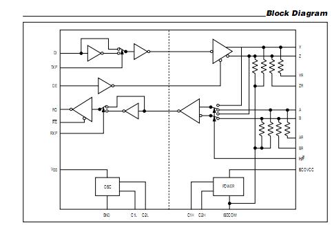
The max3157cai-t is a high CMRR RS-485/RS-422 data-communications interface providing ±50V isolation in a hybrid microcircuit. A single +5V supply on the logic side powers both sides of the interface, with external ±50V capacitors transferring power from the logic side to the isolated side. The max3157cai-t contains one transmitter and one receiver and is guaranteed to operate at data rates up to 250kbps. Drivers are short-circuit current limited and protected against excessive power dissipation by thermal shutdown circuitry that places the driver outputs into a high-impedance state. The receiver input has a fail-safe feature that guarantees a logic high receiver output if the inputs are open, shorted, or connected to a terminated transmission line with all drivers disabled. The max3157cai-t typically draws 25mA of supply current when unloaded or when fully loaded with the driver disabled. Supply current drops to 25uA when the device is placed in shutdown mode. The device is pin selectable between half- and full-duplex mode and also features independently programmable receiver and transmitter output phase through separate pins. The max3157cai-t7 is a low-cost replacement for opto-isolated transceivers. For fully isolated RS-485/RS-422 transceivers, refer to the MAX1480 family data sheet. The applications of the max3157cai-t are (1)Industrial Controls; (2)Level Translators; (3)Telecommunications; (4)Local Area Networks.
Parametrics
max3157cai-t absolute maximum ratings: (1)Supply Voltage (VCC): +7V; (2)Cable Ground (ISOCOM): ±75V; (3)Isolated Supply ISOVCC Relative to Cable Ground (ISOCOM): +7V; (4)Digital Input, Output Voltage (DI, DE, RE, TXP, RXP, RO): -0.3V to (VCC + 0.3V); (5)Digital Inputs (H/F) Relative to Cable Ground (ISOCOM): -0.3V to (ISOVCC+ 0.3V); (6)Driver Output Voltage (Y, Z), Relative to Cable Ground (ISOCOM): -8V to +12.5V; (7)Receiver Input Voltage (A, B), Relative to Cable Ground (ISOCOM): -8V to +12.5V; (8)Termination Connections (YR, ZR, AR, BR) Relative to Cable Ground (ISOCOM): -8V to +12.5V; (9)Charge-Pump Capacitance Low (C1LO, C2LO): -0.3V to (VCC + 0.3V); (10)Charge-Pump Capacitance High (C1HI, C2HI) Relative to Cable Ground (ISOCOM): -0.3V to (ISOVCC + 0.3V); (11)Continuous Power Dissipation, 28-Pin SSOP (derate 10.8mW/°C above +70°C): 860mW; 28-Pin PDIP (derate 14.3mW/°C above +70°C): 1143mW; (12)Operating Temperature Ranges: 0°C to +70°C; (13)Junction Temperature: +150°C; (14)Storage Temperature Range: -65°C to +160°C; (15)Lead Temperature (soldering, 10s): +300°C.
Features
max3157cai-t features: (1)±50V Isolated Data Interface; (2)+5V Single Supply; (3)Low-Cost Replacement for Opto-Isolated Transceivers; (4)True Fail-Safe Receiver While Maintaining EIA/TIA-485 Compliance; (5)Pin-Selectable Full/Half-Duplex Operation; (6)Phase Controls to Correct for Twisted-Pair Reversal; (7)25μA Low-Power Shutdown Mode; (8)Thermal Shutdown for Driver Overload Protection; (9)28-Pin SSOP Package; (10)Slew Rate Limited Reduced EMI.
Diagrams

| Image | Part No | Mfg | Description | ![]() |
Pricing (USD) |
Quantity | ||||||||||||
|---|---|---|---|---|---|---|---|---|---|---|---|---|---|---|---|---|---|---|
![]() |
![]() MAX3157CAI-T |
![]() Maxim Integrated Products |
![]() RS-485 Interface IC |
![]() Data Sheet |
![]() Negotiable |
|
||||||||||||
| Image | Part No | Mfg | Description | ![]() |
Pricing (USD) |
Quantity | ||||||||||||
![]() |
![]() MAX3000E |
![]() Other |
![]() |
![]() Data Sheet |
![]() Negotiable |
|
||||||||||||
![]() |
![]() MAX3000EEBP-T |
![]() Maxim Integrated Products |
![]() Translation - Voltage Levels |
![]() Data Sheet |
![]() Negotiable |
|
||||||||||||
![]() |
![]() MAX3000EEUP |
![]() Maxim Integrated Products |
![]() Translation - Voltage Levels |
![]() Data Sheet |
![]() Negotiable |
|
||||||||||||
![]() |
![]() MAX3000EEUP+ |
![]() Maxim Integrated Products |
![]() Translation - Voltage Levels 1.2-5.5V .1uA 35Mbps 8Ch |
![]() Data Sheet |
![]()
|
|
||||||||||||
![]() |
![]() MAX3000EEUP+T |
![]() Maxim Integrated Products |
![]() Translation - Voltage Levels 1.2-5.5V .1uA 35Mbps 8Ch |
![]() Data Sheet |
![]()
|
|
||||||||||||
![]() |
![]() MAX3000EEUP-T |
![]() Maxim Integrated Products |
![]() Translation - Voltage Levels |
![]() Data Sheet |
![]() Negotiable |
|
||||||||||||
(Hong Kong)










