Product Summary
The MC68HC711EA9CFN2 is a microcontroller unit (MCU). It is high-performance members of the M68HC11 family of MCUs. The MC68HC711EA9CFN2 has a multiplexed external address and data bus and are characterized by high speed and low power consumption. The MC68HC711EA9CFN2 fully static design allows operation at frequencies from 3 MHz to dc. The addition of a phase-locked loop (PLL) frequency synthesizer to the timer circuitry further enhances low-power operation and allows the use of lower frequency crystals while maintaining a clock speed of up to 3 MHz. This document contains information concerning standard and custom-ROM device. Standard device is those with ROM or with EPROM replacing ROM. Custom-ROM devices have a ROM array that is programmed at the factory to customer specifications. Where information in this document refers to both the ROM and EPROM versions, the device is referred to as MC68HC711EA9CFN2.
Features
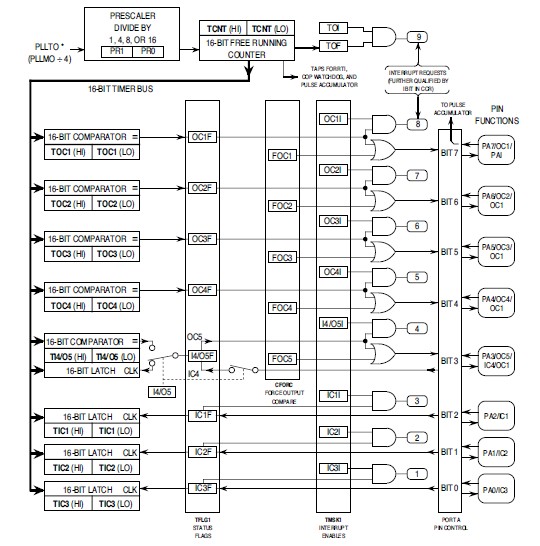
MC68HC711EA9CFN2 features: (1)M68HC11 CPU; (2)512 bytes RAM (data retained during standby, by use of V STBY ); (3)12 Kbytes mask-programmed ROM or EPROM; (4)512 Bytes electrically erasable programmable ROM (EEPROM); (5)PROG mode allows use of standard EPROM programmer (27C256 Footprint); (6)Multiplexed address and data buses reduce pin count; (7)Enhanced 16-bit timer with four-stage programmable prescaler: Three input capture (IC)channels; Four output compare (OC)channels; One additional channel, selectable as fourth IC or fifth OC; (8)8-Bit pulse accumulator; (9)Phase-locked loop (PLL)frequency synthesizer for reduced power consumption; (10)Power saving STOP and WAIT modes; (11)Real-time interrupt circuit; (12)Computer operating properly (COP)watchdog timer; (13)Clock monitor circuit; (14)Enhanced asynchronous nonreturn to zero (NRZ)serial communications interface (SCI); (15)Eight-channel 8-bit analog-to-digital (A/D)converter; (16)Five input/output (I/O)ports (34 Pins); Four bidirectional I/O ports (26 Pins); One fixed input-only port (8 Pins); (17)Two alternate, fixed input-only pins (XIRQ pin/XPIN bit and IRQ pin/IPIN bit); (18)Available in 52-pin plastic leaded chip carrier (PLCC), 52-Pin windowed ceramic leaded chip carrier (CLCC), and 56-Pin SDIP (0.070” lead spacing).
Diagrams

(Hong Kong)






