Product Summary
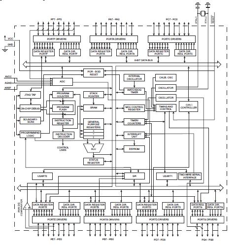
The AT90CAN64-15MT1 is a low-power CMOS 8-bit microcontroller based on the AVR enhanced RISC architecture. By executing powerful instructions in a single clock cycle, the AT90CAN64-15MT1 achieves throughputs approaching 1 MIPS per MHz allowing the system designer to optimize power consumption versus processing speed. The AVR core combines a rich instruction set with 32 general purpose working registers. All 32 registers are directly connected to the Arithmetic Logic Unit (ALU), allowing two independent registers to be accessed in one single instruction executed in one clock cycle. The resulting architecture is more code efficient while achieving throughputs up to ten times faster than conventional CISC microcontrollers.
Parametrics
AT90CAN64-15MT1 absolute maximum ratings: (1)Nominal frequency: 8 to 16MHz; (2)Supply voltage: 2.7 to 5.5V; (3)Operating temperature: -40 to +85℃.
Features
AT90CAN64-15MT1 features: (1)High-performance, Low-power AVR?8-bit Microcontroller; (2)Advanced RISC Architecture; (3)Non volatile Program and Data Memories; (4)JTAG (IEEE std. 1149.1 Compliant) Interface; (5)CAN Controller 2.0A & 2.0B; (6)Peripheral Features, Programmable Watchdog Timer with On-chip Oscillator; 8-bit Synchronous Timer/Counter-0; 8-bit Asynchronous Timer/Counter-2; Dual 16-bit Synchronous Timer/Counters-1 & 3; 8-channel, 10-bit SAR ADC; On-chip Analog Comparator; Byte-oriented Two-wire Serial Interface; Dual Programmable Serial USART; Master/Slave SPI Serial Interface; (7)Special Microcontroller Features, Power-on Reset and Programmable Brown-out Detection; Internal Calibrated RC Oscillator; 8 External Interrupt Sources; 5 Sleep Modes: Idle, ADC Noise Reduction, Power-save, Power-down & Standby; Software Selectable Clock Frequency; Global Pull-up Disable; (8)I/O and Packages, 53 Programmable I/O Lines; 64-lead TQFP and 64-lead QFN; (9)Operating Voltages, 2.7 - 5.5V; (10)Operating temperature, Industrial (-40℃ to +85℃); (11)Maximum Frequency, 8 MHz at 2.7V - Industrial range; 16 MHz at 4.5V - Industrial range.
Diagrams

| Image | Part No | Mfg | Description | ![]() |
Pricing (USD) |
Quantity | ||||||
|---|---|---|---|---|---|---|---|---|---|---|---|---|
![]() |
![]() AT90CAN64-15MT1 |
![]() Atmel |
![]() 8-bit Microcontrollers (MCU) 64KB Flash 15MHz |
![]() Data Sheet |
![]()
|
|
||||||
| Image | Part No | Mfg | Description | ![]() |
Pricing (USD) |
Quantity | ||||||
![]() |
![]() AT90-0001 |
![]() Other |
![]() |
![]() Data Sheet |
![]() Negotiable |
|
||||||
![]() |
![]() AT90-0001TR |
![]() M/A-COM Technology Solutions |
![]() Active Attenuator DC-6.0GHz 5-bit 31dB to 1dB steps |
![]() Data Sheet |
![]() Negotiable |
|
||||||
![]() |
![]() AT9001 |
![]() Other |
![]() |
![]() Data Sheet |
![]() Negotiable |
|
||||||
![]() |
![]() AT90-0106 |
![]() Other |
![]() |
![]() Data Sheet |
![]() Negotiable |
|
||||||
![]() |
![]() AT90-0107 |
![]() Other |
![]() |
![]() Data Sheet |
![]() Negotiable |
|
||||||
![]() |
![]() AT9001-53T |
![]() NKK Switches |
![]() Switch Hardware CAP |
![]() Data Sheet |
![]() Negotiable |
|
||||||
(Hong Kong)










