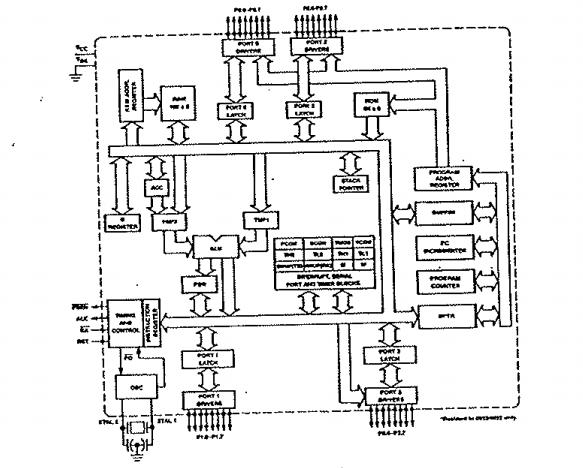
Product Summary
The md80c31bh/bqa is an 8-BIT microcomputer 64K program Memory. The md80c31bh/bqa is fabricated on Intel’CHMOS Ⅲ process and are functionally compalible with the standard md80c31bh/bqa HMOS and ERPOM products. CHMOS Ⅲ is a technology which combines the high speed and density characteristics of HMOS with the low power attributes of CHMOS. This combination of the md80c31bh/bqa expands the effeciveness of the powerful MCS-51 architecture and instruction set.
Parametrics
md80c31bh/bqa absolute maximum ratings: (1)Case Temperature Under Bias: -55 to 125 ℃; (2)Storage Temperature: -65 to 150 ℃; (3)Voltage on Any Pin to Vss: -0.5 to Vcc+0.5 V; (4)Voltage on Vcc to Vss: -0.5 to 6.5 V; (5)Power Dissipation: 200 mW.
Features
md80c31bh/bqa features: (1)md80c31bh/bqa-Control Oriented CPU with RAM and I/O; (2)md80c31bh/bqa-An with Factory Mask-Programmable ROM; (3)Power Control Modes; (4)128 × 8-Bit RAM; (5)32 Programmable I/O Lines; (6)Two 16-Bit Timer/Counters; (7)Available in 40-Pin CERDIP, 44-Pin Leadless Chip Carrier, 44-Pin Gullwing and 44-Pin J-Lead Packages; (8)64K Program Memory Space; (9)High Performance CHMOS Process; (10)Boolean Processor; (11)5 Interrupt Sources; (12)Programmable Serial Port; (13)64K Data Memory Space; (14)Military Temperature Range: -55 to 125 ℃.
Diagrams

(Hong Kong)






