Product Summary
The mjl21193 is a Silicon Power Transistor. The mjl21193 utilizes Perforated Emitter technology and are specifically designed for high power audio output, disk head positioners and linear applications.
Parametrics
mjl21193 absolute maximum ratings: (1)Collector-Emitter Voltage, VCEO: 250 Vdc; (2)Collector-Base Voltage, VCBO: 400 Vdc; (3)Emitter-Base Voltage, VEBO: 5 Vdc; (4)Collector-Emitter Voltage-1.5 V, VCEX: 400 Vdc; (5)Collector Current-Continuous Peak, IC: 16 Adc; (6)Base Current-Continuous, IB: 5 Adc; (7)Total Power Dissipation @ TC = 25 ℃, PD: 200 W; (8)Operating and Storage Junction Temperature Range, TJ, Tstg: -65 to +150 ℃.
Features
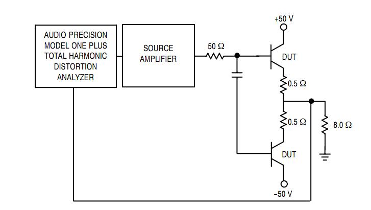
mjl21193 features: (1)Total Harmonic Distortion Characterized; (2)High DC Current Gain- hFE = 25 Min @ IC = 8 Adc; (3)Excellent Gain Linearity; (4)High SOA: 2.25 A, 80 V, 1 Second; (5)Pb-Free Packages are Available.
Diagrams

| Image | Part No | Mfg | Description | ![]() |
Pricing (USD) |
Quantity | ||||||||||||
|---|---|---|---|---|---|---|---|---|---|---|---|---|---|---|---|---|---|---|
![]() |
![]() MJL21193 |
![]() ON Semiconductor |
![]() Transistors Bipolar (BJT) 16A 250V 200W PNP |
![]() Data Sheet |
![]() Negotiable |
|
||||||||||||
![]() |
![]() MJL21193G |
![]() ON Semiconductor |
![]() Transistors Bipolar (BJT) 16A 250V 200W PNP |
![]() Data Sheet |
![]()
|
|
||||||||||||
(Hong Kong)









