Product Summary
The op02az/883 is a high-performance general-purpose operational amplifier provides significant improvements over industry-standard and premium 741 types while maintaining pin-for-pin compatibility, ease of application, and low cost. Key specifications, such as VOS, IOS, IB, CMRR, PSRR, and AVO are guaranteed over the full operating temperature range. The op02az/883 is a direct replacement for the 741. The op02az/883 is ideal for upgrading existing designs where accuracy improvements are required and for eliminating special low-drift or low-noise selected types.
Parametrics
op02az/883 absolute maximum ratings: (1)supply voltage: ±22V; (2)differential input voltage: ±30V; (3)input voltage: supply voltage; (4)operating temperature range: -55 to 125°C; (5)storage temperature range: -65 to 150°C; (6)lead temperature: 300°C; (7)junction temperature, Tj: -65 to 150°C.
Features
op02az/883 features: (1)excellent DC specifications; (2)low noise; (3)low drift; (4)silicon-nitride passivation; (5)125°C tested dice available; (6)premium 741 replacement; (7)available in die form.
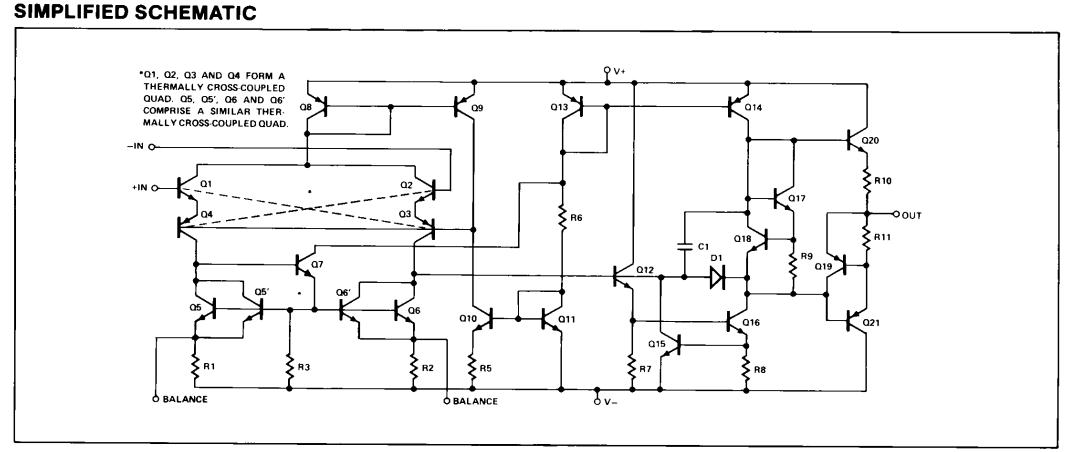
Diagrams

(Hong Kong)






