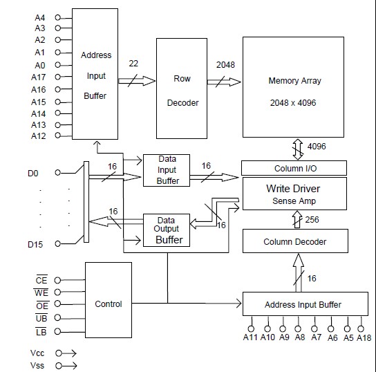
Product Summary
The BS616LV8010EIP-70 is a high performance, very low power CMOS static random access memory organized as 524,288 words by 16 bits and operates from a range of 2.7V to 3.6V supply voltage. Advanced CMOS technology and circuit techniques provide both high speed and low power features with a typical CMOS standby current of 1.5uA at 3V/25oC and maximum access time of 55ns at 3V/85oC. Easy memory expansion is provided by an active LOW chip enable (CE) ,active LOW output enable(OE) and three-state output drivers. The BS616LV8010EIP-70 has an automatic power down feature, reducing the power consumption significantly when chip is deselected. The BS616LV8010EIP-70 is available in 48B BGA and 44L TSOP2 packages.
Parametrics
BS616LV8010EIP-70 absolute maximum ratings: (1)Terminal voltage with respect to GND: -0.5 to Vcc+0.5 V; (2)Temperature under bias: -40 to +85 ℃; (3)Storage temperature: -60 to +150 ℃; (4)Power dissipation: 1.0 W; (5)DC output current: 20 mA.
Features
BS616LV8010EIP-70 features: (1)Vcc operation voltage : 2.7~3.6V; (2)Very low power consumption : Vcc = 3.0V C-grade: 30mA (@55ns)operating current; I -grade: 31mA (@55ns)operating current; C-grade: 24mA (@70ns)operating current; I -grade: 25mA (@70ns)operating current; 1.5uA (Typ.)CMOS standby current; (3)High speed access time : -55 55ns; -70 70ns; (4)Automatic power down when chip is deselected; (5)Three state outputs and TTL compatible; (6)Fully static operation; (7)Data retention supply voltage as low as 1.5V; (8)Easy expansion with CE and OE options; (9)I/O configuration x8/x16 selectable by LB and UB pin.
Diagrams

| Image | Part No | Mfg | Description | ![]() |
Pricing (USD) |
Quantity | ||||||||||||
|---|---|---|---|---|---|---|---|---|---|---|---|---|---|---|---|---|---|---|
![]() |
![]() PIC16F72-I/SP |
![]() Microchip Technology |
![]() 8-bit Microcontrollers (MCU) 3.5KB 128 RAM 22 I/O |
![]() Data Sheet |
![]()
|
|
||||||||||||
![]() |
![]() PIC16F72-I/SP(-I/P) |
![]() Other |
![]() |
![]() Data Sheet |
![]() Negotiable |
|
||||||||||||
![]() |
![]() PIC16F72-I/SP4AP |
![]() Other |
![]() |
![]() Data Sheet |
![]() Negotiable |
|
||||||||||||
![]() |
![]() PIC16F72-I/SPREL |
![]() Other |
![]() |
![]() Data Sheet |
![]() Negotiable |
|
||||||||||||
(Hong Kong)










