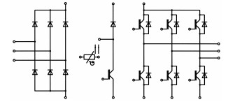
Product Summary
The skiip13nel0631 is a 3-phase bridge rectifier. Its applications include inverter up to 56kVA, typical motor power 30kW.
Parametrics
skiip13nel0631 absolute maximum ratings: (1)VCES: 600V; (2)IC: 22A; (3)ICRM: 44A; (4)VGES: ±20V; (5)Tj: -40 to 150℃.
Features
skiip13nel0631 features: (1)Ultrafast NPT IGBTs; (2)Robust and soft freewheeling diodes in CAL technology; (3)Highly reliable spring contacts for electrical connections; (4)UL recognised file no.E63532.
Diagrams

(Hong Kong)






