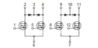
Product Summary
The SMA5106 is an N-channel With built-in flywheel diode.
Parametrics
SMA5106 features: (1)V(BR)DSS: 100 V ID=250mA, VGS=0V; (2)IGSS: ±500 nA VGS=±10V; (3)IDSS: 250 mA VDS=100V, VGS=0V; (4)VTH: 1.0 2.0 V VDS=10V, ID=250mA; (5)Re(yfs): 1.1 1.7 S VDS=10V, ID=4A; (6)Ciss: 230 pF VDS=25V, f=1.0MHz,; (7)Coss: 60 pF VGS=0V; (8)ton: 60 ns ID=4A, VDD 50V, VGS=10V,; (9)toff: ns see Fig. 3 on page 16.; (10)VSD: 1.2 2.0 V ISD=4A, VGS=0V; (11)trr: 250 ns ISD=±100mA.
Features
SMA5106 absolute maximum ratings: (1)VDSS: 100 V; (2)VGSS: ±10 V; (3)ID: ±4 A; (4)ID(pulse): ±8 (PW≤1ms)A; (5)EAS: 16 mJ; (6)IF: 4 (PW≤0.5ms, Du£25%)A; (7)IFSM: 8 (PW≤10ms, Single pulse)A; (8)VR: 120 V; (9)PT: 4 (Ta=25°C, with all circuits operating, without heatsink)W; 28 (Tc=25°C,with all circuits operating, with infinite heatsink)W; (10)qj–a: 31.2 (Junction-Air, Ta=25°C, with all circuits operating)°C/W; (11)q j–c: 4.46 (Junction-Case, Tc=25°C, with all circuits operating)°C/W; (12)Tch: 150 °C; (13)Tstg: –40 to +150 °C.
Diagrams

| Image | Part No | Mfg | Description | ![]() |
Pricing (USD) |
Quantity | ||||||||||||
|---|---|---|---|---|---|---|---|---|---|---|---|---|---|---|---|---|---|---|
![]() |
![]() SMA5106 |
![]() Other |
![]() |
![]() Data Sheet |
![]() Negotiable |
|
||||||||||||
| Image | Part No | Mfg | Description | ![]() |
Pricing (USD) |
Quantity | ||||||||||||
![]() |
![]() SMA50-4101 |
![]() Cinch |
![]() RF Connectors RF/COAX CONN 50OHM SMA STRT PLG CBL MNT |
![]() Data Sheet |
![]()
|
|
||||||||||||
![]() |
![]() SMA5101 |
![]() Other |
![]() |
![]() Data Sheet |
![]() Negotiable |
|
||||||||||||
![]() |
![]() SMA5101-TL-H |
![]() ON Semiconductor |
![]() Transistors RF Bipolar Power Silicon Mono Linear Dble Balanced Mixer |
![]() Data Sheet |
![]()
|
|
||||||||||||
![]() |
![]() SMA5102 |
![]() Other |
![]() |
![]() Data Sheet |
![]() Negotiable |
|
||||||||||||
![]() |
![]() SMA5103 |
![]() Other |
![]() |
![]() Data Sheet |
![]() Negotiable |
|
||||||||||||
![]() |
![]() SMA5104 |
![]() Other |
![]() |
![]() Data Sheet |
![]() Negotiable |
|
||||||||||||
(Hong Kong)









